Cosel PBB7A-C SERIES AC/DC Power Supply
The Cosel PBB7A-C Series AC/DC Power Supply is a compact and efficient power solution for low-power PCB-mounted applications. With power outputs of 5W and voltage options of 5V, 12V, and 24V, this series offers dependable performance for industrial, medical, and electronic systems.
Read MoreFeatures
- 5W AC/DC Module
- PCB Mounting
- Small Footprint
- ErP compliant
- Meets Class II
- High efficiency
INPUT | |||||||||||||||||||||||||||||||||||||||||||||||||
---|---|---|---|---|---|---|---|---|---|---|---|---|---|---|---|---|---|---|---|---|---|---|---|---|---|---|---|---|---|---|---|---|---|---|---|---|---|---|---|---|---|---|---|---|---|---|---|---|---|
Input Voltage | 85 - 264Vac | ||||||||||||||||||||||||||||||||||||||||||||||||
Input Current | 200Vac 0.35 typ (lo=100%) | ||||||||||||||||||||||||||||||||||||||||||||||||
Frequency | 47-63Hz | ||||||||||||||||||||||||||||||||||||||||||||||||
Inrush current | Limited by external components | ||||||||||||||||||||||||||||||||||||||||||||||||
Leakage current mA | 0.40/0.75mA max. (ACIN 100V/240V, 60Hz, lo=100%, according to IEC60950-1) |
OUTPUT | |||||||||||||||||||||||||||||||||||||||||||||||||
---|---|---|---|---|---|---|---|---|---|---|---|---|---|---|---|---|---|---|---|---|---|---|---|---|---|---|---|---|---|---|---|---|---|---|---|---|---|---|---|---|---|---|---|---|---|---|---|---|---|
Output Voltage | 5Vdc, 12Vdc, 24Vdc | ||||||||||||||||||||||||||||||||||||||||||||||||
Power | 5W | ||||||||||||||||||||||||||||||||||||||||||||||||
Output Current | See selection table | ||||||||||||||||||||||||||||||||||||||||||||||||
Line regulation |
5V: 20mV max 12V: 48mV max 24V: 96mV max |
||||||||||||||||||||||||||||||||||||||||||||||||
Load regulation |
5V: 40mV max 12V: 100mV max 24V: 150mV max |
||||||||||||||||||||||||||||||||||||||||||||||||
Ripple |
For 30% - 100% Load 5V: 120mVp-p max 12V: 160mVp-p max 24V: 200mVp-p max |
||||||||||||||||||||||||||||||||||||||||||||||||
Temperature Regulation |
For 0 to +85°C 5V: 100mV max 12V: 180 max 24V: 360 max |
||||||||||||||||||||||||||||||||||||||||||||||||
Voltage Setting V |
5V: 4.90-5.30 12V: 13.11.40-12.60 24V: 23.00-25.00 |
||||||||||||||||||||||||||||||||||||||||||||||||
Efficiency |
82% Typical |
PROTECTION | |||||||||||||||||||||||||||||||||||||||||||||||||
---|---|---|---|---|---|---|---|---|---|---|---|---|---|---|---|---|---|---|---|---|---|---|---|---|---|---|---|---|---|---|---|---|---|---|---|---|---|---|---|---|---|---|---|---|---|---|---|---|---|
Overcurrent Protection | Works over 105% of rating and recover automatically | ||||||||||||||||||||||||||||||||||||||||||||||||
Overvoltage Protection |
5V: 5.50 - 8.00 12V: 13.20 - 19.20 24V: 26.40 - 38.40 |
ENVIRONMENTAL | |||||||||||||||||||||||||||||||||||||||||||||||||
---|---|---|---|---|---|---|---|---|---|---|---|---|---|---|---|---|---|---|---|---|---|---|---|---|---|---|---|---|---|---|---|---|---|---|---|---|---|---|---|---|---|---|---|---|---|---|---|---|---|
Operating temperature |
-40 to +85°C |
||||||||||||||||||||||||||||||||||||||||||||||||
Cooling | Convection/forced air | ||||||||||||||||||||||||||||||||||||||||||||||||
Humidity | 20%-95%RH non condensing | ||||||||||||||||||||||||||||||||||||||||||||||||
Altitude | 3,000m (10,000 feet) max |
STANDARDS AND APPROVALS | |||||||||||||||||||||||||||||||||||||||||||||||||
---|---|---|---|---|---|---|---|---|---|---|---|---|---|---|---|---|---|---|---|---|---|---|---|---|---|---|---|---|---|---|---|---|---|---|---|---|---|---|---|---|---|---|---|---|---|---|---|---|---|
General | UL60950-1, C-UL (CSA60950-1), EN60950-1 | ||||||||||||||||||||||||||||||||||||||||||||||||
Conducted Noise | FCC-B,VCCI-B,CISPR-B,EN55022-B | ||||||||||||||||||||||||||||||||||||||||||||||||
Harmonic Attenuator | IEC61000-3-2 (Class A) |
MECHANICAL | |||||||||||||||||||||||||||||||||||||||||||||||||
---|---|---|---|---|---|---|---|---|---|---|---|---|---|---|---|---|---|---|---|---|---|---|---|---|---|---|---|---|---|---|---|---|---|---|---|---|---|---|---|---|---|---|---|---|---|---|---|---|---|
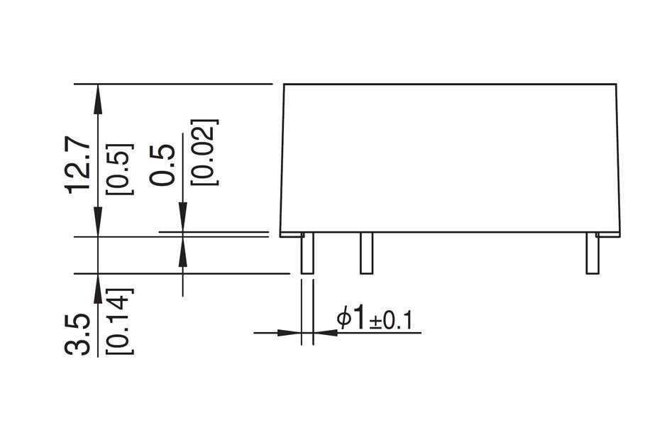
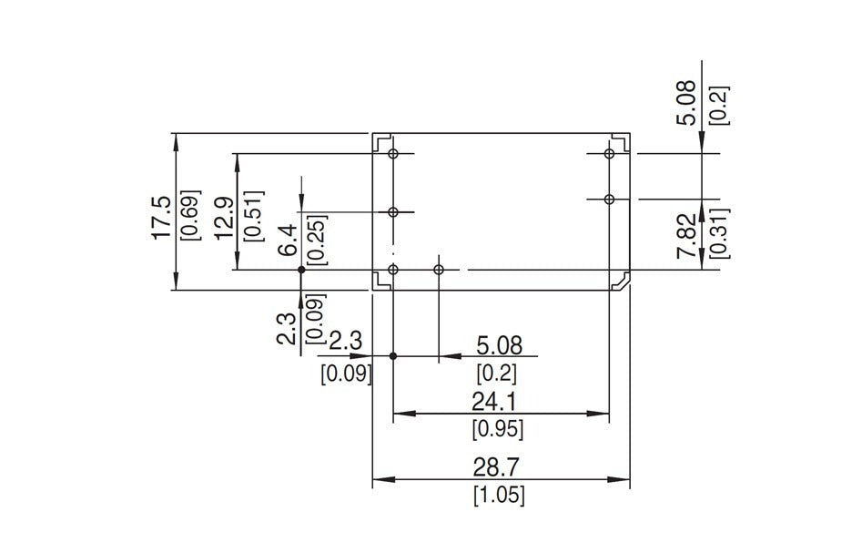
Dimensions | 28.7 x 12.7 x 17.5mm | ||||||||||||||||||||||||||||||||||||||||||||||||
Weight | 15g |
MODEL NUMBER | OUTPUT VOLTAGE | OUTPUT CURRENT | POWER |
---|---|---|---|
PBB7A-5C | 5V | 1A | 5W |
PBB7A-12C | 12V | 0.45A | 5W |
PBB7A-24C | 24V | 0.22A | 5W |



INPUT | |||||||||||||||||||||||||||||||||||||||||||||||||
---|---|---|---|---|---|---|---|---|---|---|---|---|---|---|---|---|---|---|---|---|---|---|---|---|---|---|---|---|---|---|---|---|---|---|---|---|---|---|---|---|---|---|---|---|---|---|---|---|---|
Input Voltage | 85 - 264Vac | ||||||||||||||||||||||||||||||||||||||||||||||||
Input Current | 200Vac 0.35 typ (lo=100%) | ||||||||||||||||||||||||||||||||||||||||||||||||
Frequency | 47-63Hz | ||||||||||||||||||||||||||||||||||||||||||||||||
Inrush current | Limited by external components | ||||||||||||||||||||||||||||||||||||||||||||||||
Leakage current mA | 0.40/0.75mA max. (ACIN 100V/240V, 60Hz, lo=100%, according to IEC60950-1) |
OUTPUT | |||||||||||||||||||||||||||||||||||||||||||||||||
---|---|---|---|---|---|---|---|---|---|---|---|---|---|---|---|---|---|---|---|---|---|---|---|---|---|---|---|---|---|---|---|---|---|---|---|---|---|---|---|---|---|---|---|---|---|---|---|---|---|
Output Voltage | 5Vdc, 12Vdc, 24Vdc | ||||||||||||||||||||||||||||||||||||||||||||||||
Power | 5W | ||||||||||||||||||||||||||||||||||||||||||||||||
Output Current | See selection table | ||||||||||||||||||||||||||||||||||||||||||||||||
Line regulation |
5V: 20mV max 12V: 48mV max 24V: 96mV max |
||||||||||||||||||||||||||||||||||||||||||||||||
Load regulation |
5V: 40mV max 12V: 100mV max 24V: 150mV max |
||||||||||||||||||||||||||||||||||||||||||||||||
Ripple |
For 30% - 100% Load 5V: 120mVp-p max 12V: 160mVp-p max 24V: 200mVp-p max |
||||||||||||||||||||||||||||||||||||||||||||||||
Temperature Regulation |
For 0 to +85°C 5V: 100mV max 12V: 180 max 24V: 360 max |
||||||||||||||||||||||||||||||||||||||||||||||||
Voltage Setting V |
5V: 4.90-5.30 12V: 13.11.40-12.60 24V: 23.00-25.00 |
||||||||||||||||||||||||||||||||||||||||||||||||
Efficiency |
82% Typical |
PROTECTION | |||||||||||||||||||||||||||||||||||||||||||||||||
---|---|---|---|---|---|---|---|---|---|---|---|---|---|---|---|---|---|---|---|---|---|---|---|---|---|---|---|---|---|---|---|---|---|---|---|---|---|---|---|---|---|---|---|---|---|---|---|---|---|
Overcurrent Protection | Works over 105% of rating and recover automatically | ||||||||||||||||||||||||||||||||||||||||||||||||
Overvoltage Protection |
5V: 5.50 - 8.00 12V: 13.20 - 19.20 24V: 26.40 - 38.40 |
ENVIRONMENTAL | |||||||||||||||||||||||||||||||||||||||||||||||||
---|---|---|---|---|---|---|---|---|---|---|---|---|---|---|---|---|---|---|---|---|---|---|---|---|---|---|---|---|---|---|---|---|---|---|---|---|---|---|---|---|---|---|---|---|---|---|---|---|---|
Operating temperature |
-40 to +85°C |
||||||||||||||||||||||||||||||||||||||||||||||||
Cooling | Convection/forced air | ||||||||||||||||||||||||||||||||||||||||||||||||
Humidity | 20%-95%RH non condensing | ||||||||||||||||||||||||||||||||||||||||||||||||
Altitude | 3,000m (10,000 feet) max |
STANDARDS AND APPROVALS | |||||||||||||||||||||||||||||||||||||||||||||||||
---|---|---|---|---|---|---|---|---|---|---|---|---|---|---|---|---|---|---|---|---|---|---|---|---|---|---|---|---|---|---|---|---|---|---|---|---|---|---|---|---|---|---|---|---|---|---|---|---|---|
General | UL60950-1, C-UL (CSA60950-1), EN60950-1 | ||||||||||||||||||||||||||||||||||||||||||||||||
Conducted Noise | FCC-B,VCCI-B,CISPR-B,EN55022-B | ||||||||||||||||||||||||||||||||||||||||||||||||
Harmonic Attenuator | IEC61000-3-2 (Class A) |
MECHANICAL | |||||||||||||||||||||||||||||||||||||||||||||||||
---|---|---|---|---|---|---|---|---|---|---|---|---|---|---|---|---|---|---|---|---|---|---|---|---|---|---|---|---|---|---|---|---|---|---|---|---|---|---|---|---|---|---|---|---|---|---|---|---|---|
Dimensions | 28.7 x 12.7 x 17.5mm | ||||||||||||||||||||||||||||||||||||||||||||||||
Weight | 15g |
MODEL NUMBER | OUTPUT VOLTAGE | OUTPUT CURRENT | POWER |
---|---|---|---|
PBB7A-5C | 5V | 1A | 5W |
PBB7A-12C | 12V | 0.45A | 5W |
PBB7A-24C | 24V | 0.22A | 5W |



Find the Right Model
Model Number | Input Voltage (Vac) | Output Voltage (Vdc) | Output Current (A) | ||
---|---|---|---|---|---|
![]() |
PBB7A-5C | 85...264Vac 50/60Hz | 5Vdc | 1A | |
![]() |
PBB7A-12C | 85...264Vac 50/60Hz | 12Vdc | 0.45A | |
![]() |
PBB7A-24C | 85...264Vac 50/60Hz | 24Vdc | 0.22A |
Need help finding the right product model?
