AC/DC Power Supplies
Cosel PBB20C SERIES AC/DC Power Supply
The PBB20C series offers a flexible solution for power supply needs ranging from 15W to 1500W. These supplies can be chassis mounted and din rail mounted (15W to 150W). They offer efficiencies between 70% to 80%, low ripple, and robust protection features, including over-current and thermal protection, suitable for demanding industrial environments.
Features
- 15W - 1500W Power Supply
- Small size and light weight
- Fan alarm (300W-1500W)
- Remote ON/OFF (300W-1500W)
- Parallel operation and current sharing (300W - 1500W)
- Conformal coating option for wet areas
Specifications
Selection Table
Technical Illustrations
Downloads
INPUT | |
---|---|
Voltage | 85~264Vac / 120~370Vdc. |
Frequency | 47-63Hz. |
Inrush current | PBB20C-D, F, H, J, L 30A typical PBB20C-M, R, T, X, W, V 40A typical. |
OUTPUT | |
---|---|
Output Voltage | See Selection table. |
Voltage Adjustment | See Selection Table |
Output Current | See Selection table. |
Operating Indication | LED - Green |
Minimum Load | Unit will operate with zero load. |
Output Ripple | 3.3Vdc - 24Vdc < 150mVp-p 48Vdc < 250mVp-p |
Line regulation | Typically 0.4% |
Load regulation | Typically 0.8% |
Temperature drift | 1% over 0°C to 50°C |
Remote sense | Provided on PBB20C-T to V model |
Remote inhibit | Provided on PBB20C-T to V model |
Rise time | Model dependent 600ms max |
Holdup time | 20ms typical |
Efficiency | Typ. 82% |
Parallel Operation | For PBB20C - 300W, 600W, 1000W and 1500W Power supplies shipped from factory have harness (H-SN-19) mounted on connector CN1. For Parallel operation use optional harness, H-PA-3, to connect CN1: +/-S, VB and CB between power supplies. Maximum of 5 units in parallel operation. |
PROTECTION | |
---|---|
Over Current Protection | Works at approximately 105% of rated current with auto recovery |
Over Voltage Protection | Model dependent 115%-140% Vout typical |
Isolation | Input - Output 3000Vac Input - Case 2000Vac Output - Case 500Vac |
Thermal protection | 300W - 1500W - Unit shuts down when temperature exceeds de-rating curve when FAN stops or when air flow is interrupted |
DC OK/ FAN alarm | 300W - 1500W: Open Collector "Low DC OK" 0.5V "High DC not OK" 5V LED for V output |
ENVIRONMENTAL | |
---|---|
Operating Temperature | 10W-150W convection 10°C to 71°C Derate from 40°C to 71°C with cover Derate from 60°C to 71°C without cover 300W-1500W convection -20°C to 71°C Derate from 50°C to 71°C at 50% power |
Cooling | 10W-150W models convection cooled 300W-1500W models internal fan cooling |
Humidity | 20%-90% non-condensing |
Vibration | 10Hz-55Hz at 2G |
Shock | 20G 11ms X, Y, Z axis |
STANDARDS AND APPROVALS | |
---|---|
Safety | UL60950-1, C-UL(CSA60950-1), EN60950-1, EN50178, Complies with DEN-AN. |
C-Tick | AS/NZS CISPR11 Group 1 Class A. |
EMC compliances | EN61204-3, EN61000-6-2 EN61000-4-2,-3,-4,-5,-6,-8,-11 |
EMI compliances | Complies with FCC-B, CISPR22-B, EN55011-B, EN55022-B, VCCI-B |
CE marking | Complies with LVD and EMC Directives |
MECHANICAL | |
---|---|
Connector | Input/Output: Screw Termination |
Parallel Control Connection | For 300W to 1500W models Master PSU CN1: Default harness H-SN-19 CN2: Harness H-PA-3, goes to slave PSU Slave PSU CN1: Remove default harness H-SN-19 CN1: Connect H-PA-3, from master PSU |
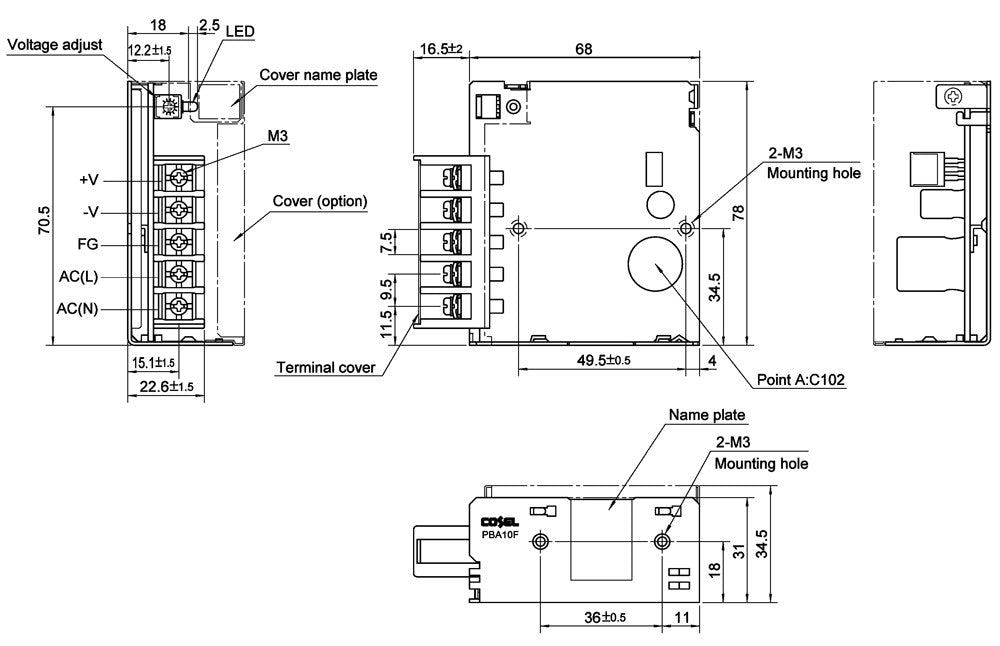
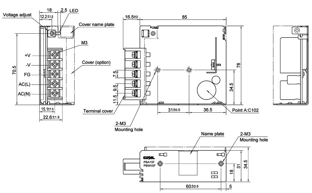
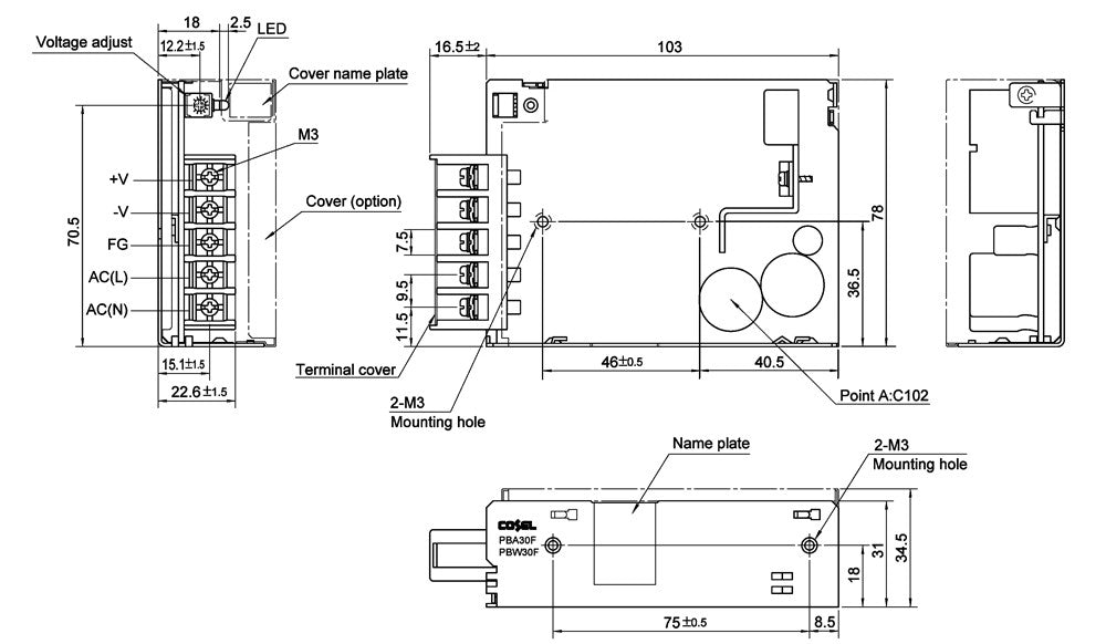
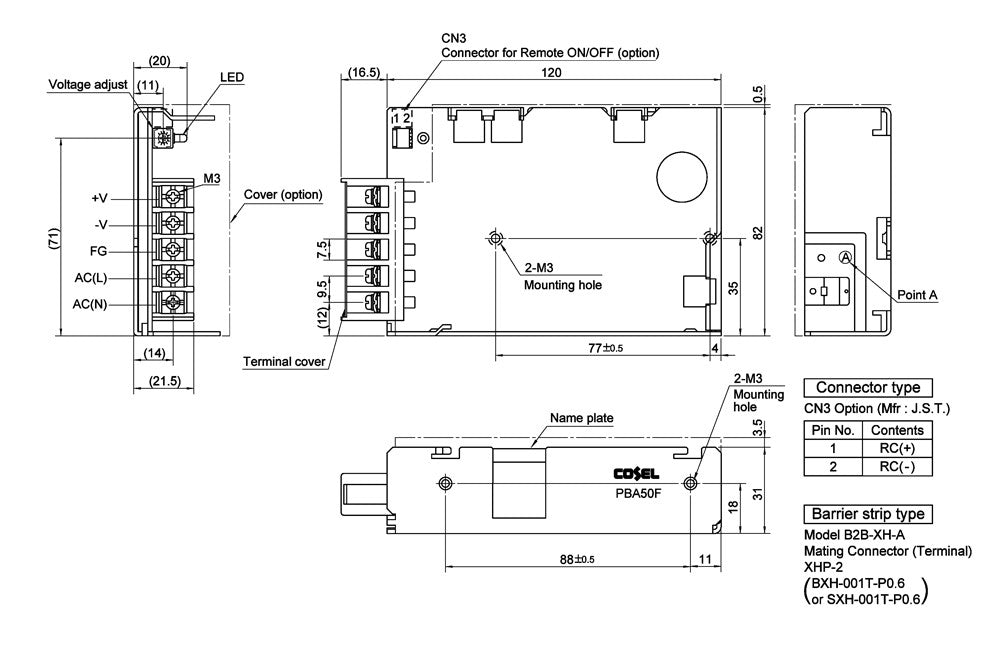
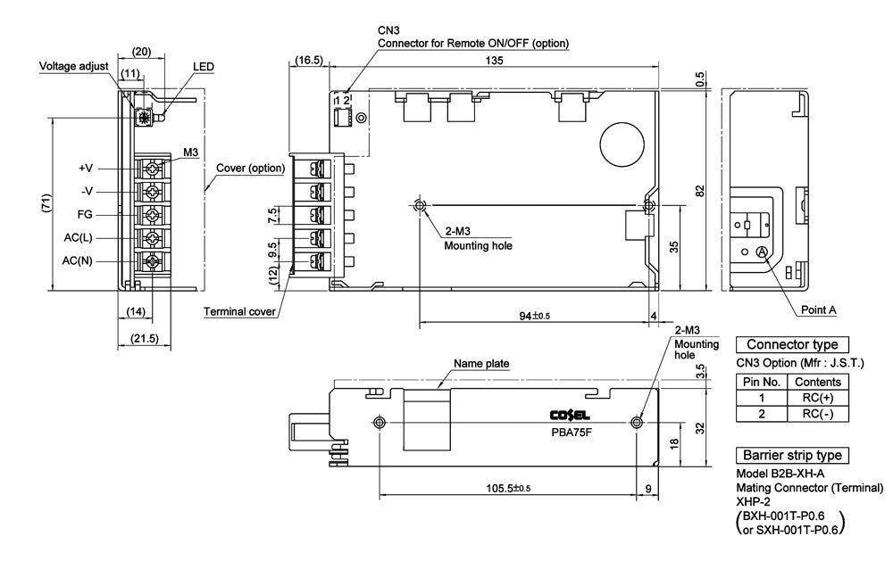
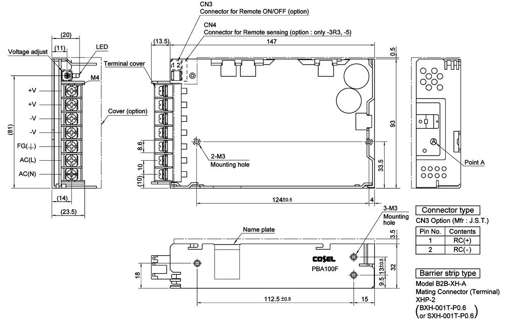
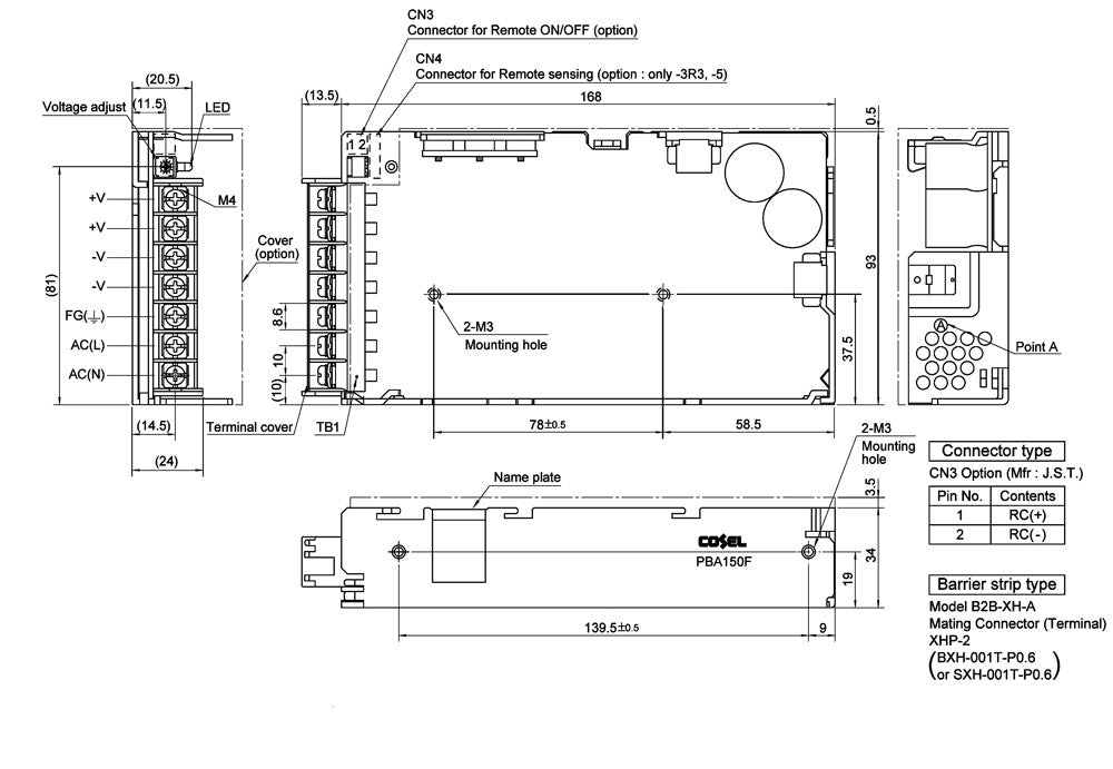
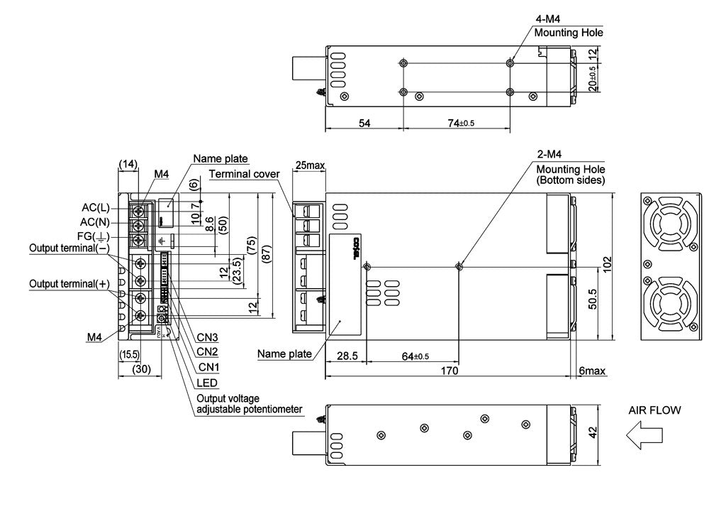
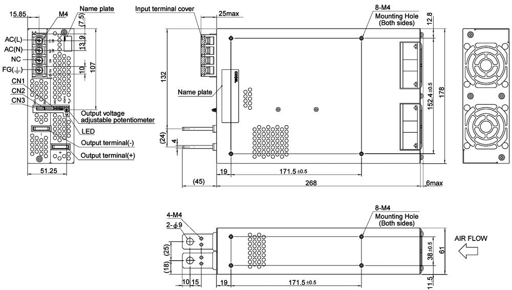
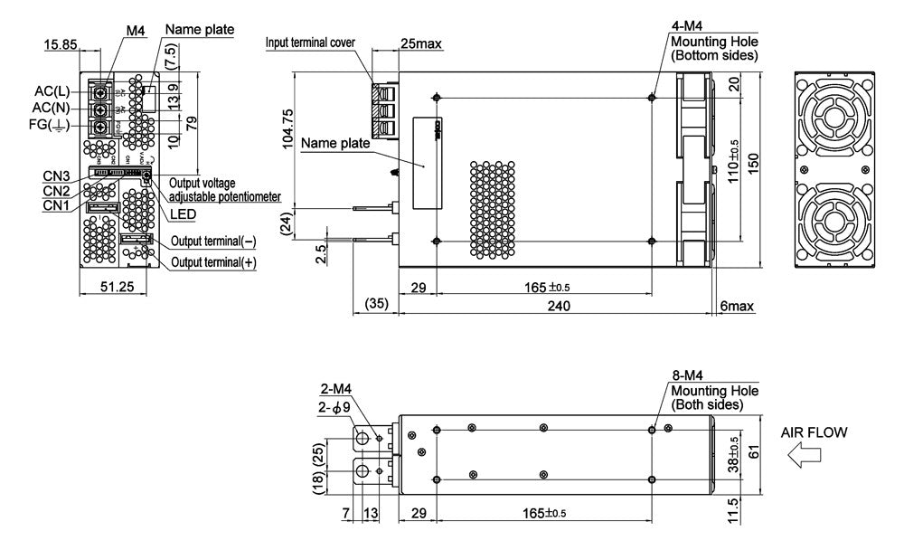
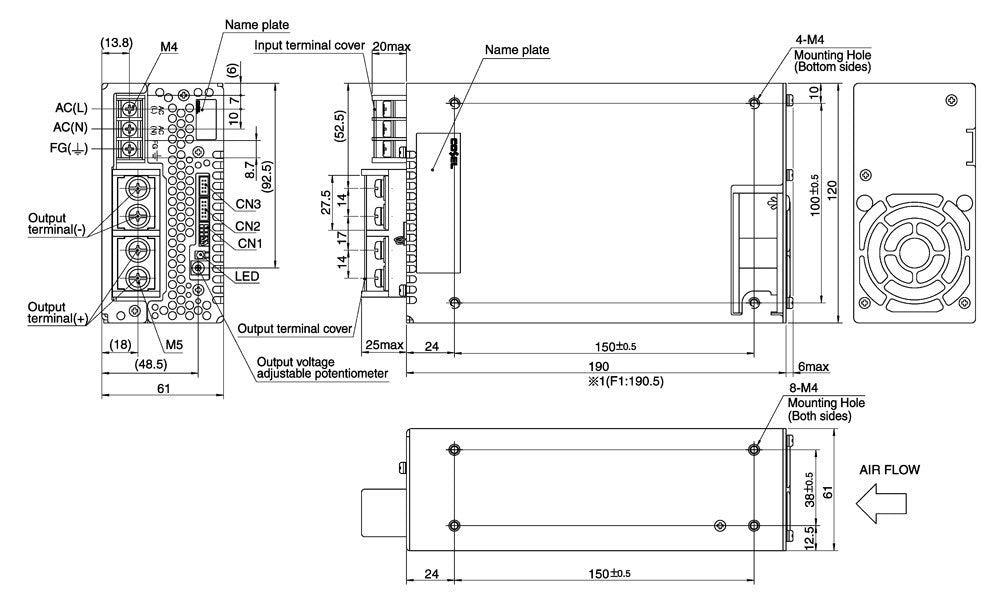
Dimensions Weight | PBB20C-D, 10W : 31 x 78 x 68mm, 150g PBB20C-F, 15W : 31 x 78 x 85mm, 200g PBB20C-H, 30W: 31 x 78 x 103mm, 270g PBB20C-J, 50W: 31 x 82 x 120mm, 280g PBB20C-L, 75W: 32 x 82 x 135mm, 350g PBB20C-M, 100W : 32 x 93 x 147mm, 440g PBB20C-R, 150W : 34 x 93 x 168mm, 560g PBB20C-T, 300W : 102 x 42 x 170mm, 1.0kg PBB20C-X, 600W : 120 x 61 x 190mm, 1.6kg PBB20C-W, 1000W : 150 x 61 x 240mm, 2.2kg PBB20C-V, 1500W : 178 x 61 x 268mm, 3.4kg |
Chassis Plate and DIN Mounting | View PBB20C Chassis Mounting |
MODEL NUMBER | OUTPUT VOLTAGE | OUTPUT CURRENT | VOLTAGE ADJ | POWER |
---|---|---|---|---|
PBB20C-5D | 5V | 2A | 4.5V - 5.5V | 10W |
PBB20C-12D | 12V | 0.9A | 10V - 13.2V | 10W |
PBB20C-24D | 24V | 0.5A | 19.2V - 27V | 10W |
PBB20C-3.3F | 3.3V | 3A | 2.85V - 3.6V | 15W |
PBB20C-5F | 5V | 3A | 4.5V - 5.5V | 15W |
PBB20C-9F | 9V | 1.7A | 7.5V - 10V | 15W |
PBB20C-12F | 12V | 1.3A | 10V - 13.2V | 15W |
PBB20C-15F | 15V | 1A | 13.2V - 18V | 15W |
PBB20C-24F | 24V | 0.7A | 19.2V - 27V | 15W |
PBB20C-48F | 48V | 0.35A | 39V - 53V | 15W |
PBB20C-3.3H | 3.3V | 6A | 2.85V - 3.6V | 30W |
PBB20C-5H | 5V | 6A | 4.5V - 5.5V | 30W |
PBB20C-9H | 9V | 3.4A | 7.5V - 10V | 30W |
PBB20C-12H | 12V | 2.5A | 10V - 13.2V | 30W |
PBB20C-15H | 15V | 2A | 13.2V - 18V | 30W |
PBB20C-24H | 24V | 1.3A | 19.2V - 27V | 30W |
PBB20C-48H | 48V | 0.65A | 39V - 53V | 30W |
PBB20C-3.3J | 3.3V | 10A | 2.85V - 3.6V | 50W |
PBB20C-5J | 5V | 10A | 4V - 5.5V | 50W |
PBB20C-9J | 9V | 5.6A | 7.5V - 10V | 50W |
PBB20C-12J | 12V | 4.3A | 10V - 13.2V | 50W |
PBB20C-15J | 15V | 3.5A | 13.2V - 18V | 50W |
PBB20C-24J | 24V | 2.2A | 19.2V - 27V | 50W |
PBB20C-36J | 36V | 1.4A | 28.8V - 39V | 50W |
PBB20C-48J | 48V | 1.1A | 39V - 53V | 50W |
PBB20C-3.3L | 3.3V | 15A | 2.85V - 3.6V | 75W |
PBB20C-5L | 5V | 15A | 4V - 5.5V | 75W |
PBB20C-9L | 9V | 8.4A | 7.5V - 10V | 75W |
PBB20C-12L | 12V | 6.3A | 10V - 13.2V | 75Wv |
PBB20C-15L | 15V | 5A | 13.2V - 18V | 75W |
PBB20C-24L | 24V | 3.2A | 19.2V - 27V | 75W |
PBB20C-36L | 36V | 2.1A | 28.8V - 39V | 75W |
PBB20C-48L | 48V | 1.6A | 39V - 53V | 75W |
PBB20C-3.3M | 3.3V | 20A | 2.85V - 3.6V | 100W |
PBB20C-5M | 5V | 20A | 4V - 5.5V | 100W |
PBB20C-9M | 9V | 10.5 | 7.5V - 10V | 100W |
PBB20C-12M | 12V | 8.5A | 10V - 13.2V | 100W |
PBB20C-15M | 15V | 7A | 13.2V - 18V | 100W |
PBB20C-24M | 24V | 4.5A | 19.2V - 27V | 100W |
PBB20C-36M | 36V | 2.8A | 28.8V - 39V | 100W |
PBB20C-48M | 48V | 2.1A | 39V - 53V | 100W |
PBB20C-3.3R | 3.3V | 30A | 2.85V - 3.6V | 150W |
PBB20C-5R | 5V | 30A | 4V - 5.5V | 150W |
PBB20C-9R | 9V | 16.7A | 7.5V - 10V | 150W |
PBB20C-12R | 12V | 13A | 10V - 13.2V | 150W |
PBB20C-15R | 15V | 10A | 13.2V - 18V | 150W |
PBB20C-24R | 24V | 6.5A | 19.2V - 27V | 150W |
PBB20C-36R | 36V | 4.3A | 28.8V - 39V | 150W |
PBB20C-48R | 48V | 3.3A | 39V - 53V | 150W |
PBB20C-3.3T | 3.3V | 60A | 2.64V - 3.96V | 300W |
PBB20C-5T | 5V | 60A | 3.96V - 6V | 300W |
PBB20C-7.5T | 7.5V | 40A | 5.25V - 8.25V | 300W |
PBB20C-12T | 12V | 27A | 8.25V - 13.2V | 300W |
PBB20C-15T | 15V | 22A | 10.5V - 16.5V | 300W |
PBB20C-24T | 24V | 14A | 16.5V - 26.4V | 300W |
PBB20C-36T | 36V | 9A | 25.2V - 39.6V | 300W |
PBB20C-48T | 48V | 7A | 38.4V - 56V | 300W |
PBB20C-3.3X | 3.3V | 120A | 2.64V - 3.96V | 600W |
PBB20C-5X | 5V | 120A | 3.96V - 6V | 600W |
PBB20C-7.5X | 7.5V | 80A | 5.25V - 8.25V | 600W |
PBB20C-12X | 12V | 53A | 8.25V - 13.2V | 600W |
PBB20C-15X | 15V | 43A | 10.5V - 16.5V | 600W |
PBB20C-24X | 24V | 27A | 16.5V - 26.4V | 600W |
PBB20C-36X | 36V | 18A | 25.2V - 39.6V | 600W |
PBB20C-48X | 48V | 13A | 38.4V - 56V | 600W |
PBB20C-3.3W | 3.3V | 200A | 2.64V - 3.96V | 1000W |
PBB20C-5W | 5V | 200A | 3.96V - 6V | 1000W |
PBB20C-7.5W | 7.5V | 134A | 5.25V - 8.25V | 1000W |
PBB20C-12W | 12V | 88A | 8.25V - 13.2V | 1000W |
PBB20C-15W | 15V | 70A | 10.5V - 16.5V | 1000W |
PBB20C-24W | 24V | 44A | 16.5V - 26.4V | 1000W |
PBB20C-36W | 36V | 29A | 25.2V - 39.6V | 1000W |
PBB20C-48W | 48V | 22A | 38.4V - 56V | 1000W |
PBB20C-3.3V | 3.3V | 300A | 2.64V - 3.96V | 1500W |
PBB20C-5V | 5V | 300A | 3.96V - 6V | 1500W |
PBB20C-7.5V | 7.5V | 200A | 5.25V - 8.25V | 1500W |
PBB20C-12V | 12V | 125A | 8.25V - 13.2V | 1500W |
PBB20C-15V | 15V | 100A | 10.5V - 16.5V | 1500W |
PBB20C-24V | 24V | 70A | 16.5V - 26.4V | 1500W |
PBB20C-36V | 36V | 47A | 25.2V - 39.6V | 1500W |
PBB20C-48V | 48V | 35A | 38.4V - 56V | 1500W |











INPUT | |
---|---|
Voltage | 85~264Vac / 120~370Vdc. |
Frequency | 47-63Hz. |
Inrush current | PBB20C-D, F, H, J, L 30A typical PBB20C-M, R, T, X, W, V 40A typical. |
OUTPUT | |
---|---|
Output Voltage | See Selection table. |
Voltage Adjustment | See Selection Table |
Output Current | See Selection table. |
Operating Indication | LED - Green |
Minimum Load | Unit will operate with zero load. |
Output Ripple | 3.3Vdc - 24Vdc < 150mVp-p 48Vdc < 250mVp-p |
Line regulation | Typically 0.4% |
Load regulation | Typically 0.8% |
Temperature drift | 1% over 0°C to 50°C |
Remote sense | Provided on PBB20C-T to V model |
Remote inhibit | Provided on PBB20C-T to V model |
Rise time | Model dependent 600ms max |
Holdup time | 20ms typical |
Efficiency | Typ. 82% |
Parallel Operation | For PBB20C - 300W, 600W, 1000W and 1500W Power supplies shipped from factory have harness (H-SN-19) mounted on connector CN1. For Parallel operation use optional harness, H-PA-3, to connect CN1: +/-S, VB and CB between power supplies. Maximum of 5 units in parallel operation. |
PROTECTION | |
---|---|
Over Current Protection | Works at approximately 105% of rated current with auto recovery |
Over Voltage Protection | Model dependent 115%-140% Vout typical |
Isolation | Input - Output 3000Vac Input - Case 2000Vac Output - Case 500Vac |
Thermal protection | 300W - 1500W - Unit shuts down when temperature exceeds de-rating curve when FAN stops or when air flow is interrupted |
DC OK/ FAN alarm | 300W - 1500W: Open Collector "Low DC OK" 0.5V "High DC not OK" 5V LED for V output |
ENVIRONMENTAL | |
---|---|
Operating Temperature | 10W-150W convection 10°C to 71°C Derate from 40°C to 71°C with cover Derate from 60°C to 71°C without cover 300W-1500W convection -20°C to 71°C Derate from 50°C to 71°C at 50% power |
Cooling | 10W-150W models convection cooled 300W-1500W models internal fan cooling |
Humidity | 20%-90% non-condensing |
Vibration | 10Hz-55Hz at 2G |
Shock | 20G 11ms X, Y, Z axis |
STANDARDS AND APPROVALS | |
---|---|
Safety | UL60950-1, C-UL(CSA60950-1), EN60950-1, EN50178, Complies with DEN-AN. |
C-Tick | AS/NZS CISPR11 Group 1 Class A. |
EMC compliances | EN61204-3, EN61000-6-2 EN61000-4-2,-3,-4,-5,-6,-8,-11 |
EMI compliances | Complies with FCC-B, CISPR22-B, EN55011-B, EN55022-B, VCCI-B |
CE marking | Complies with LVD and EMC Directives |
MECHANICAL | |
---|---|
Connector | Input/Output: Screw Termination |
Parallel Control Connection | For 300W to 1500W models Master PSU CN1: Default harness H-SN-19 CN2: Harness H-PA-3, goes to slave PSU Slave PSU CN1: Remove default harness H-SN-19 CN1: Connect H-PA-3, from master PSU |
Dimensions Weight | PBB20C-D, 10W : 31 x 78 x 68mm, 150g PBB20C-F, 15W : 31 x 78 x 85mm, 200g PBB20C-H, 30W: 31 x 78 x 103mm, 270g PBB20C-J, 50W: 31 x 82 x 120mm, 280g PBB20C-L, 75W: 32 x 82 x 135mm, 350g PBB20C-M, 100W : 32 x 93 x 147mm, 440g PBB20C-R, 150W : 34 x 93 x 168mm, 560g PBB20C-T, 300W : 102 x 42 x 170mm, 1.0kg PBB20C-X, 600W : 120 x 61 x 190mm, 1.6kg PBB20C-W, 1000W : 150 x 61 x 240mm, 2.2kg PBB20C-V, 1500W : 178 x 61 x 268mm, 3.4kg |
Chassis Plate and DIN Mounting | View PBB20C Chassis Mounting |
MODEL NUMBER | OUTPUT VOLTAGE | OUTPUT CURRENT | VOLTAGE ADJ | POWER |
---|---|---|---|---|
PBB20C-5D | 5V | 2A | 4.5V - 5.5V | 10W |
PBB20C-12D | 12V | 0.9A | 10V - 13.2V | 10W |
PBB20C-24D | 24V | 0.5A | 19.2V - 27V | 10W |
PBB20C-3.3F | 3.3V | 3A | 2.85V - 3.6V | 15W |
PBB20C-5F | 5V | 3A | 4.5V - 5.5V | 15W |
PBB20C-9F | 9V | 1.7A | 7.5V - 10V | 15W |
PBB20C-12F | 12V | 1.3A | 10V - 13.2V | 15W |
PBB20C-15F | 15V | 1A | 13.2V - 18V | 15W |
PBB20C-24F | 24V | 0.7A | 19.2V - 27V | 15W |
PBB20C-48F | 48V | 0.35A | 39V - 53V | 15W |
PBB20C-3.3H | 3.3V | 6A | 2.85V - 3.6V | 30W |
PBB20C-5H | 5V | 6A | 4.5V - 5.5V | 30W |
PBB20C-9H | 9V | 3.4A | 7.5V - 10V | 30W |
PBB20C-12H | 12V | 2.5A | 10V - 13.2V | 30W |
PBB20C-15H | 15V | 2A | 13.2V - 18V | 30W |
PBB20C-24H | 24V | 1.3A | 19.2V - 27V | 30W |
PBB20C-48H | 48V | 0.65A | 39V - 53V | 30W |
PBB20C-3.3J | 3.3V | 10A | 2.85V - 3.6V | 50W |
PBB20C-5J | 5V | 10A | 4V - 5.5V | 50W |
PBB20C-9J | 9V | 5.6A | 7.5V - 10V | 50W |
PBB20C-12J | 12V | 4.3A | 10V - 13.2V | 50W |
PBB20C-15J | 15V | 3.5A | 13.2V - 18V | 50W |
PBB20C-24J | 24V | 2.2A | 19.2V - 27V | 50W |
PBB20C-36J | 36V | 1.4A | 28.8V - 39V | 50W |
PBB20C-48J | 48V | 1.1A | 39V - 53V | 50W |
PBB20C-3.3L | 3.3V | 15A | 2.85V - 3.6V | 75W |
PBB20C-5L | 5V | 15A | 4V - 5.5V | 75W |
PBB20C-9L | 9V | 8.4A | 7.5V - 10V | 75W |
PBB20C-12L | 12V | 6.3A | 10V - 13.2V | 75Wv |
PBB20C-15L | 15V | 5A | 13.2V - 18V | 75W |
PBB20C-24L | 24V | 3.2A | 19.2V - 27V | 75W |
PBB20C-36L | 36V | 2.1A | 28.8V - 39V | 75W |
PBB20C-48L | 48V | 1.6A | 39V - 53V | 75W |
PBB20C-3.3M | 3.3V | 20A | 2.85V - 3.6V | 100W |
PBB20C-5M | 5V | 20A | 4V - 5.5V | 100W |
PBB20C-9M | 9V | 10.5 | 7.5V - 10V | 100W |
PBB20C-12M | 12V | 8.5A | 10V - 13.2V | 100W |
PBB20C-15M | 15V | 7A | 13.2V - 18V | 100W |
PBB20C-24M | 24V | 4.5A | 19.2V - 27V | 100W |
PBB20C-36M | 36V | 2.8A | 28.8V - 39V | 100W |
PBB20C-48M | 48V | 2.1A | 39V - 53V | 100W |
PBB20C-3.3R | 3.3V | 30A | 2.85V - 3.6V | 150W |
PBB20C-5R | 5V | 30A | 4V - 5.5V | 150W |
PBB20C-9R | 9V | 16.7A | 7.5V - 10V | 150W |
PBB20C-12R | 12V | 13A | 10V - 13.2V | 150W |
PBB20C-15R | 15V | 10A | 13.2V - 18V | 150W |
PBB20C-24R | 24V | 6.5A | 19.2V - 27V | 150W |
PBB20C-36R | 36V | 4.3A | 28.8V - 39V | 150W |
PBB20C-48R | 48V | 3.3A | 39V - 53V | 150W |
PBB20C-3.3T | 3.3V | 60A | 2.64V - 3.96V | 300W |
PBB20C-5T | 5V | 60A | 3.96V - 6V | 300W |
PBB20C-7.5T | 7.5V | 40A | 5.25V - 8.25V | 300W |
PBB20C-12T | 12V | 27A | 8.25V - 13.2V | 300W |
PBB20C-15T | 15V | 22A | 10.5V - 16.5V | 300W |
PBB20C-24T | 24V | 14A | 16.5V - 26.4V | 300W |
PBB20C-36T | 36V | 9A | 25.2V - 39.6V | 300W |
PBB20C-48T | 48V | 7A | 38.4V - 56V | 300W |
PBB20C-3.3X | 3.3V | 120A | 2.64V - 3.96V | 600W |
PBB20C-5X | 5V | 120A | 3.96V - 6V | 600W |
PBB20C-7.5X | 7.5V | 80A | 5.25V - 8.25V | 600W |
PBB20C-12X | 12V | 53A | 8.25V - 13.2V | 600W |
PBB20C-15X | 15V | 43A | 10.5V - 16.5V | 600W |
PBB20C-24X | 24V | 27A | 16.5V - 26.4V | 600W |
PBB20C-36X | 36V | 18A | 25.2V - 39.6V | 600W |
PBB20C-48X | 48V | 13A | 38.4V - 56V | 600W |
PBB20C-3.3W | 3.3V | 200A | 2.64V - 3.96V | 1000W |
PBB20C-5W | 5V | 200A | 3.96V - 6V | 1000W |
PBB20C-7.5W | 7.5V | 134A | 5.25V - 8.25V | 1000W |
PBB20C-12W | 12V | 88A | 8.25V - 13.2V | 1000W |
PBB20C-15W | 15V | 70A | 10.5V - 16.5V | 1000W |
PBB20C-24W | 24V | 44A | 16.5V - 26.4V | 1000W |
PBB20C-36W | 36V | 29A | 25.2V - 39.6V | 1000W |
PBB20C-48W | 48V | 22A | 38.4V - 56V | 1000W |
PBB20C-3.3V | 3.3V | 300A | 2.64V - 3.96V | 1500W |
PBB20C-5V | 5V | 300A | 3.96V - 6V | 1500W |
PBB20C-7.5V | 7.5V | 200A | 5.25V - 8.25V | 1500W |
PBB20C-12V | 12V | 125A | 8.25V - 13.2V | 1500W |
PBB20C-15V | 15V | 100A | 10.5V - 16.5V | 1500W |
PBB20C-24V | 24V | 70A | 16.5V - 26.4V | 1500W |
PBB20C-36V | 36V | 47A | 25.2V - 39.6V | 1500W |
PBB20C-48V | 48V | 35A | 38.4V - 56V | 1500W |











Find the Right Model
Model Number | Input Voltage (Vac) | Output Voltage (Vdc) | Output Current (A) | ||
---|---|---|---|---|---|
![]() |
PBB20C-5D | 85...264Vac 50/60Hz | 5Vdc | 2A | |
![]() |
PBB20C-12D | 85...264Vac 50/60Hz | 12Vdc | 0.9A | |
![]() |
PBB20C-24D | 85...264Vac 50/60Hz | 24Vdc | 0.5A | |
![]() |
PBB20C-3.3F | 85...264Vac 50/60Hz | 3.3Vdc | 3A | |
![]() |
PBB20C-5F | 85...264Vac 50/60Hz | 5Vdc | 3A | |
![]() |
PBB20C-9F | 85...264Vac 50/60Hz | 9Vdc | 1.7A | |
![]() |
PBB20C-12F | 85...264Vac 50/60Hz | 12Vdc | 1.3A | |
![]() |
PBB20C-15F | 85...264Vac 50/60Hz | 15Vdc | 1A | |
![]() |
PBB20C-24F | 85...264Vac 50/60Hz | 24Vdc | 0.7A | |
![]() |
PBB20C-48F | 85...264Vac 50/60Hz | 48Vdc | 0.35A | |
![]() |
PBB20C-3.3H | 85...264Vac 50/60Hz | 3.3Vdc | 6A | |
![]() |
PBB20C-5H | 85...264Vac 50/60Hz | 5Vdc | 6A | |
![]() |
PBB20C-9H | 85...264Vac 50/60Hz | 9Vdc | 3.4A | |
![]() |
PBB20C-12H | 85...264Vac 50/60Hz | 12Vdc | 2.5A | |
![]() |
PBB20C-15H | 85...264Vac 50/60Hz | 15Vdc | 2A | |
![]() |
PBB20C-24H | 85...264Vac 50/60Hz | 24Vdc | 1.3A | |
![]() |
PBB20C-48H | 85...264Vac 50/60Hz | 48Vdc | 0.65A | |
![]() |
PBB20C-3.3J | 85...264Vac 50/60Hz | 3.3Vdc | 10A | |
![]() |
PBB20C-5J | 85...264Vac 50/60Hz | 5Vdc | 10A | |
![]() |
PBB20C-9J | 85...264Vac 50/60Hz | 9Vdc | 5.6A | |
![]() |
PBB20C-12J | 85...264Vac 50/60Hz | 12Vdc | 4.3A | |
![]() |
PBB20C-15J | 85...264Vac 50/60Hz | 15Vdc | 3.5A | |
![]() |
PBB20C-24J | 85...264Vac 50/60Hz | 24Vdc | 2.2A | |
![]() |
PBB20C-36J | 85...264Vac 50/60Hz | 36Vdc | 1.4A | |
![]() |
PBB20C-48J | 85...264Vac 50/60Hz | 48Vdc | 1.1A | |
![]() |
PBB20C-3.3L | 85...264Vac 50/60Hz | 3.3Vdc | 15A | |
![]() |
PBB20C-5L | 85...264Vac 50/60Hz | 5Vdc | 15A | |
![]() |
PBB20C-9L | 85...264Vac 50/60Hz | 9Vdc | 8.4A | |
![]() |
PBB20C-12L | 85...264Vac 50/60Hz | 12Vdc | 6.3A | |
![]() |
PBB20C-15L | 85...264Vac 50/60Hz | 15Vdc | 5A | |
![]() |
PBB20C-24L | 85...264Vac 50/60Hz | 24Vdc | 3.2A | |
![]() |
PBB20C-36L | 85...264Vac 50/60Hz | 36Vdc | 2.1A | |
![]() |
PBB20C-48L | 85...264Vac 50/60Hz | 48Vdc | 1.6A | |
![]() |
PBB20C-3.3M | 85...264Vac 50/60Hz | 3.3Vdc | 20A | |
![]() |
PBB20C-5M | 85...264Vac 50/60Hz | 5Vdc | 20A | |
![]() |
PBB20C-9M | 85...264Vac 50/60Hz | 9Vdc | 10.5A | |
![]() |
PBB20C-12M | 85...264Vac 50/60Hz | 12Vdc | 8.5A | |
![]() |
PBB20C-15M | 85...264Vac 50/60Hz | 15Vdc | 7A | |
![]() |
PBB20C-24M | 85...264Vac 50/60Hz | 24Vdc | 4.5A | |
![]() |
PBB20C-36M | 85...264Vac 50/60Hz | 36Vdc | 2.8A | |
![]() |
PBB20C-48M | 85...264Vac 50/60Hz | 48Vdc | 2.1A | |
![]() |
PBB20C-3.3R | 85...264Vac 50/60Hz | 3.3Vdc | 30A | |
![]() |
PBB20C-5R | 85...264Vac 50/60Hz | 5Vdc | 30A | |
![]() |
PBB20C-9R | 85...264Vac 50/60Hz | 9Vdc | 16.7A | |
![]() |
PBB20C-12R | 85...264Vac 50/60Hz | 12Vdc | 13A | |
![]() |
PBB20C-15R | 85...264Vac 50/60Hz | 15Vdc | 10A | |
![]() |
PBB20C-24R | 85...264Vac 50/60Hz | 24Vdc | 6.5A | |
![]() |
PBB20C-36R | 85...264Vac 50/60Hz | 36Vdc | 4.3A | |
![]() |
PBB20C-48R | 85...264Vac 50/60Hz | 48Vdc | 3.3A | |
![]() |
PBB20C-3.3T | 85...264Vac 50/60Hz | 3.3Vdc | 60A | |
![]() |
PBB20C-5T | 85...264Vac 50/60Hz | 5Vdc | 60A | |
![]() |
PBB20C-7.5T | 85...264Vac 50/60Hz | 9Vdc | 40A | |
![]() |
PBB20C-12T | 85...264Vac 50/60Hz | 12Vdc | 27A | |
![]() |
PBB20C-15T | 85...264Vac 50/60Hz | 15Vdc | 22A | |
![]() |
PBB20C-24T | 85...264Vac 50/60Hz | 24Vdc | 14A | |
![]() |
PBB20C-36T | 85...264Vac 50/60Hz | 36Vdc | 9A | |
![]() |
PBB20C-48T | 85...264Vac 50/60Hz | 48Vdc | 7A | |
![]() |
PBB20C-3.3X | 85...264Vac 50/60Hz | 3.3Vdc | 120A | |
![]() |
PBB20C-5X | 85...264Vac 50/60Hz | 5Vdc | 120A | |
![]() |
PBB20C-7.5X | 85...264Vac 50/60Hz | 9Vdc | 80A | |
![]() |
PBB20C-12X | 85...264Vac 50/60Hz | 12Vdc | 53A | |
![]() |
PBB20C-15X | 85...264Vac 50/60Hz | 15Vdc | 43A | |
![]() |
PBB20C-24X | 85...264Vac 50/60Hz | 24Vdc | 27A | |
![]() |
PBB20C-36X | 85...264Vac 50/60Hz | 36Vdc | 18A | |
![]() |
PBB20C-48X | 85...264Vac 50/60Hz | 48Vdc | 13A | |
![]() |
PBB20C-3.3W | 85...264Vac 50/60Hz | 3.3Vdc | 200A | |
![]() |
PBB20C-5W | 85...264Vac 50/60Hz | 5Vdc | 200A | |
![]() |
PBB20C-7.5W | 85...264Vac 50/60Hz | 9Vdc | 134A | |
![]() |
PBB20C-12W | 85...264Vac 50/60Hz | 12Vdc | 88A | |
![]() |
PBB20C-15W | 85...264Vac 50/60Hz | 15Vdc | 70A | |
![]() |
PBB20C-24W | 85...264Vac 50/60Hz | 24Vdc | 44A | |
![]() |
PBB20C-36W | 85...264Vac 50/60Hz | 36Vdc | 29A | |
![]() |
PBB20C-48W | 85...264Vac 50/60Hz | 48Vdc | 22A | |
![]() |
PBB20C-3.3V | 85...264Vac 50/60Hz | 3.3Vdc | 300A | |
![]() |
PBB20C-5V | 85...264Vac 50/60Hz | 5Vdc | 300A | |
![]() |
PBB20C-7.5V | 85...264Vac 50/60Hz | 9Vdc | 200A | |
![]() |
PBB20C-12V | 85...264Vac 50/60Hz | 12Vdc | 125A | |
![]() |
PBB20C-15V | 85...264Vac 50/60Hz | 15Vdc | 100A | |
![]() |
PBB20C-24V | 85...264Vac 50/60Hz | 24Vdc | 70A | |
![]() |
PBB20C-36V | 85...264Vac 50/60Hz | 36Vdc | 47A | |
![]() |
PBB20C-48V | 85...264Vac 50/60Hz | 48Vdc | 35A |
Need help finding the right product model?
