AC/DC Power Supplies
Cosel PBB20C-D SERIES AC/DC Power Supply
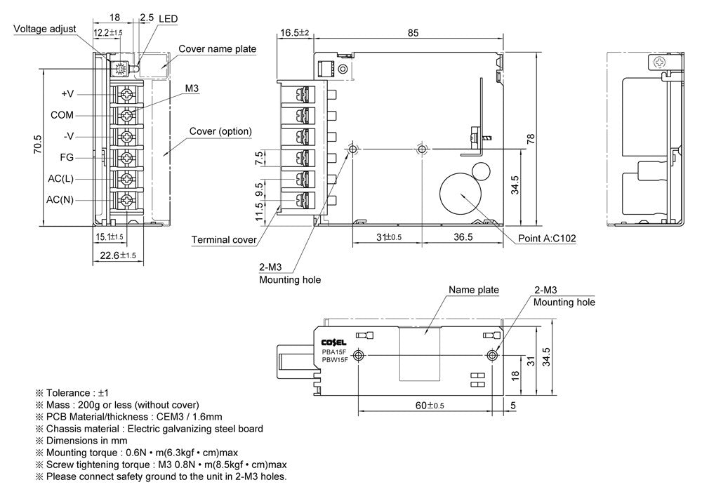
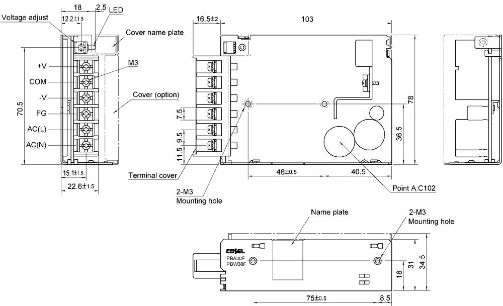
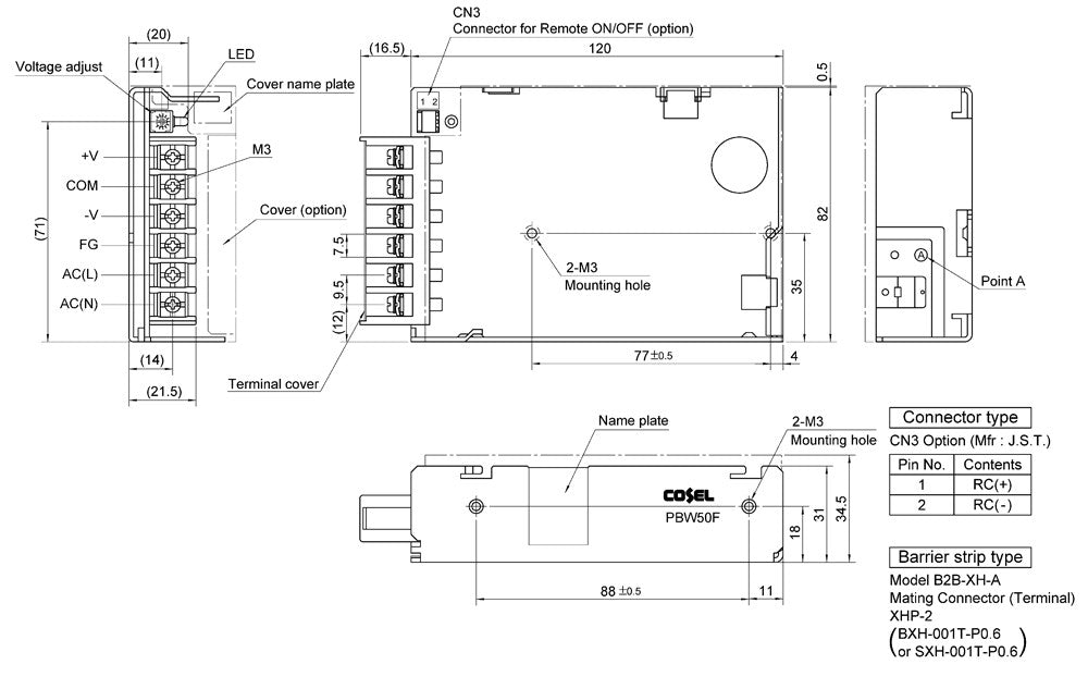
The Cosel PBB20C-D Series AC/DC Power Supply is a versatile and compact dual-output solution, designed for applications requiring reliable and efficient power delivery. With power outputs ranging from 15W to 50W and dual voltage options (e.g., ±5V, ±12V, ±15V), it meets the demands of industrial and electronic systems with precision.
Read MoreFeatures
- 15W-50W AC/DC Module
- PCB Mounting
- Small Footprint
- ErP compliant
- Meets Class II
- High efficiency
Specifications
Selection Table
Technical Illustrations
Downloads
INPUT | |
---|---|
Voltage | 85~264Vac |
Frequency | 47-440Hz. |
Inrush current | 100Vin 15A typical; 200Vin 30A typical. |
OUTPUT | |
---|---|
Output Voltage | See Selection table. |
Voltage Adjustment |
5Vdc: 4.99 - 6Vdc 12Vdc: 9.60 - 13.2Vdc 15Vdc: 13.2Vdc to 16.5Vdc (+V and -V are simultaneously adjusted) |
Output Power | 15W, 30W, 50W |
Output Current | See selection table. |
Ripple & noise | 150mVp-p |
Line regulation | 60mV Typical |
Load regulation | 500mV Typical |
Startup time | 200ms max. |
Holdup time | 20ms typical |
Remote control | Optional yes |
Efficiency | 75%-83% typical |
PROTECTION | |
---|---|
Over Current Protection | Over 105% of rated current and recovers automatically. |
Over Voltage Protection | Approx. 130% of rated voltage |
Isolation |
Input-Output 3kVac,1min Input - Ground 2kVac, 1min Output - Ground 500Vac,1min |
ENVIRONMENTAL | |
---|---|
Operating Temperature | -10°C to 70°C (Refer to derating curve, consult Powerbox sales) |
Humidity | 20%-90% non-condensing. |
Vibration | 10Hz-55Hz at 2G |
Shock | 20G 11ms X, Y, Z axis |
STANDARDS AND APPROVALS | |
---|---|
Safety | UL60950-1, C-UL(CSA60950-1), EN60950-1, EN50178, Complies with DEN-AN. |
C-Tick | AS/NZS CISPR11 Group 1 Class A. |
EMC compliances | EN61204-3, EN61000-6-2 EN61000-4-2,-3,-4,-5,-6,-8,-11 |
EMI compliances | Complies with FCC-B, CISPR22-B, EN55011-B, EN55022-B, VCCI-B |
CE marking | Complies with LVD and EMC Directives |
MODEL NUMBER | OUTPUT VOLTAGE | OUTPUT CURRENT | POWER |
---|---|---|---|
PBB20C-D12F | +/-12V (+24V) | 0.7A | 15W |
PBB20C-D15F | +/-15V (+30V) | 0.5A | 15W |
PBB20C-D5H | +/-5V (+10V) | 1.5A | 30W |
PBB20C-D12H | +/-12V (+24V) | 1.3A | 30W |
PBB20C-D15H | +/-15V (+30V) | 1.0A | 30W |
PBB20C-D5J | +/-5V (+10V) | 3.0A | 50W |
PBB20C-D12J | +/-12V (+24V) | 2.1A | 50W |
PBB20C-D15J | +/-15V (+30V) | 1.7A | 50W |



INPUT | |
---|---|
Voltage | 85~264Vac |
Frequency | 47-440Hz. |
Inrush current | 100Vin 15A typical; 200Vin 30A typical. |
OUTPUT | |
---|---|
Output Voltage | See Selection table. |
Voltage Adjustment |
5Vdc: 4.99 - 6Vdc 12Vdc: 9.60 - 13.2Vdc 15Vdc: 13.2Vdc to 16.5Vdc (+V and -V are simultaneously adjusted) |
Output Power | 15W, 30W, 50W |
Output Current | See selection table. |
Ripple & noise | 150mVp-p |
Line regulation | 60mV Typical |
Load regulation | 500mV Typical |
Startup time | 200ms max. |
Holdup time | 20ms typical |
Remote control | Optional yes |
Efficiency | 75%-83% typical |
PROTECTION | |
---|---|
Over Current Protection | Over 105% of rated current and recovers automatically. |
Over Voltage Protection | Approx. 130% of rated voltage |
Isolation |
Input-Output 3kVac,1min Input - Ground 2kVac, 1min Output - Ground 500Vac,1min |
ENVIRONMENTAL | |
---|---|
Operating Temperature | -10°C to 70°C (Refer to derating curve, consult Powerbox sales) |
Humidity | 20%-90% non-condensing. |
Vibration | 10Hz-55Hz at 2G |
Shock | 20G 11ms X, Y, Z axis |
STANDARDS AND APPROVALS | |
---|---|
Safety | UL60950-1, C-UL(CSA60950-1), EN60950-1, EN50178, Complies with DEN-AN. |
C-Tick | AS/NZS CISPR11 Group 1 Class A. |
EMC compliances | EN61204-3, EN61000-6-2 EN61000-4-2,-3,-4,-5,-6,-8,-11 |
EMI compliances | Complies with FCC-B, CISPR22-B, EN55011-B, EN55022-B, VCCI-B |
CE marking | Complies with LVD and EMC Directives |
MODEL NUMBER | OUTPUT VOLTAGE | OUTPUT CURRENT | POWER |
---|---|---|---|
PBB20C-D12F | +/-12V (+24V) | 0.7A | 15W |
PBB20C-D15F | +/-15V (+30V) | 0.5A | 15W |
PBB20C-D5H | +/-5V (+10V) | 1.5A | 30W |
PBB20C-D12H | +/-12V (+24V) | 1.3A | 30W |
PBB20C-D15H | +/-15V (+30V) | 1.0A | 30W |
PBB20C-D5J | +/-5V (+10V) | 3.0A | 50W |
PBB20C-D12J | +/-12V (+24V) | 2.1A | 50W |
PBB20C-D15J | +/-15V (+30V) | 1.7A | 50W |



Find the Right Model
Model Number | Input Voltage (Vac) | Output Voltage (Vdc) | Output Current (A) | ||
---|---|---|---|---|---|
![]() |
PBB20C-D12F | 85...264Vac 50/60Hz | +/-12Vdc (+24Vdc) | 0.7A | |
![]() |
PBB20C-D15F | 85...264Vac 50/60Hz | +/-15Vdc (+30Vdc) | 0.5A | |
![]() |
PBB20C-D5H | 85...264Vac 50/60Hz | +/-5Vdc (+10Vdc) | 1.5A | |
![]() |
PBB20C-D12H | 85...264Vac 50/60Hz | +/-12Vdc (+24Vdc) | 1.3A | |
![]() |
PBB20C-D15H | 85...264Vac 50/60Hz | +/-15Vdc (+30Vdc) | 1A | |
![]() |
PBB20C-D5J | 85...264Vac 50/60Hz | +/-5Vdc (+10Vdc) | 3A | |
![]() |
PBB20C-D12J | 85...264Vac 50/60Hz | +/-12Vdc (+24Vdc) | 2.1A | |
![]() |
PBB20C-D15J | 85...264Vac 50/60Hz | +/-15Vdc (+30Vdc) | 1.7A |
Need help finding the right product model?
