Cosel PBB7A-B SERIES AC/DC Power Supply
The Cosel PBB7A-B Series AC/DC Power Supply is a compact and efficient solution for low-power PCB-mounted applications, offering reliable performance with a power output of 3W. Available in voltage options of 5V, 12V, and 24V, it is ideal for use in industrial, medical, and IT systems requiring consistent and compact power solutions.
Read MoreFeatures
- 3W AC/DC Module
- PCB Mounting
- Small Footprint
- ErP compliant
- Meets Class II
- High efficiency
INPUT | |||||||||||||||||||||||||||||||||||||||||||||||||
---|---|---|---|---|---|---|---|---|---|---|---|---|---|---|---|---|---|---|---|---|---|---|---|---|---|---|---|---|---|---|---|---|---|---|---|---|---|---|---|---|---|---|---|---|---|---|---|---|---|
Input voltage | 85-264Vac | ||||||||||||||||||||||||||||||||||||||||||||||||
Input current | 200Vac 0.05A typ (lo=100%) | ||||||||||||||||||||||||||||||||||||||||||||||||
Frequency | 47-63Hz | ||||||||||||||||||||||||||||||||||||||||||||||||
Inrush current | Limited by external components | ||||||||||||||||||||||||||||||||||||||||||||||||
Leakage current | 0.40/0.75mA max. (100V/240Vac, 60Hz, lo=100%, according to IEC60950-1) |
OUTPUT | |||||||||||||||||||||||||||||||||||||||||||||||||
---|---|---|---|---|---|---|---|---|---|---|---|---|---|---|---|---|---|---|---|---|---|---|---|---|---|---|---|---|---|---|---|---|---|---|---|---|---|---|---|---|---|---|---|---|---|---|---|---|---|
Output Voltage | 5Vdc, 12Vdc, 24Vdc | ||||||||||||||||||||||||||||||||||||||||||||||||
Output Power | 3W | ||||||||||||||||||||||||||||||||||||||||||||||||
Output Current | See selection table | ||||||||||||||||||||||||||||||||||||||||||||||||
Line regulation |
5V: 20mV max 12V: 48mV max 24V: 96mV max |
||||||||||||||||||||||||||||||||||||||||||||||||
Load regulation |
5V: 40mV max 12V: 100mV max 24V: 150mV max |
||||||||||||||||||||||||||||||||||||||||||||||||
Ripple |
For 30% - 100% load 5V: 120mVp-p max 12V: 160mVp-p max 24V: 200mVp-p max |
||||||||||||||||||||||||||||||||||||||||||||||||
Temperature Regulation |
For 0 to +85°C 5V: 100mV max 12V: 180mV max 24V: 360mV max |
||||||||||||||||||||||||||||||||||||||||||||||||
Efficiency | 79% Typical |
PROTECTION | |||||||||||||||||||||||||||||||||||||||||||||||||
---|---|---|---|---|---|---|---|---|---|---|---|---|---|---|---|---|---|---|---|---|---|---|---|---|---|---|---|---|---|---|---|---|---|---|---|---|---|---|---|---|---|---|---|---|---|---|---|---|---|
Overcurrent Protection |
Works over 105% of rating Recovers automatically |
||||||||||||||||||||||||||||||||||||||||||||||||
Overvoltage Protection |
5V: 5.50 - 8.00V 12V: 13.20 - 19.20V 24V: 26.40 - 38.40V |
ENVIRONMENT | |||||||||||||||||||||||||||||||||||||||||||||||||
---|---|---|---|---|---|---|---|---|---|---|---|---|---|---|---|---|---|---|---|---|---|---|---|---|---|---|---|---|---|---|---|---|---|---|---|---|---|---|---|---|---|---|---|---|---|---|---|---|---|
Operating temperature |
-40 to +85°C Derating: contact Powerbox |
||||||||||||||||||||||||||||||||||||||||||||||||
Cooling | Convection | ||||||||||||||||||||||||||||||||||||||||||||||||
Humidity | 20%-95% RH non condensing | ||||||||||||||||||||||||||||||||||||||||||||||||
Altitude | 3,000m max |
STANDARDS AND APPROVALS | |||||||||||||||||||||||||||||||||||||||||||||||||
---|---|---|---|---|---|---|---|---|---|---|---|---|---|---|---|---|---|---|---|---|---|---|---|---|---|---|---|---|---|---|---|---|---|---|---|---|---|---|---|---|---|---|---|---|---|---|---|---|---|
General | UL60950-1, C-UL (CSA60950-1), EN60950-1 | ||||||||||||||||||||||||||||||||||||||||||||||||
Conducted Noise | FCC-B,VCCI-B,CISPR-B,EN55022-B | ||||||||||||||||||||||||||||||||||||||||||||||||
Harmonic Attenuator | IEC61000-3-2 (Class A) |
MECHANICAL | |||||||||||||||||||||||||||||||||||||||||||||||||
---|---|---|---|---|---|---|---|---|---|---|---|---|---|---|---|---|---|---|---|---|---|---|---|---|---|---|---|---|---|---|---|---|---|---|---|---|---|---|---|---|---|---|---|---|---|---|---|---|---|
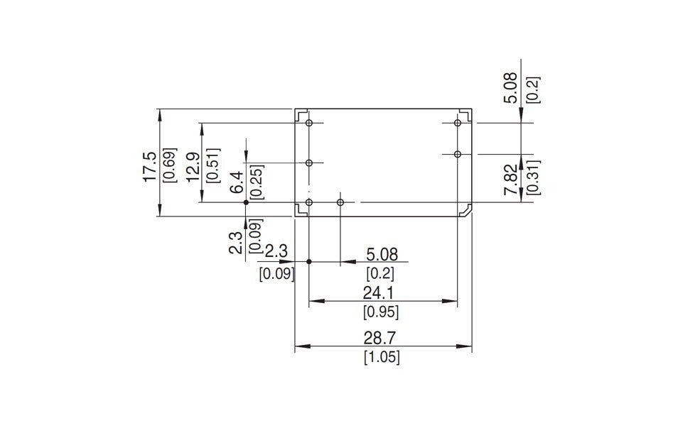
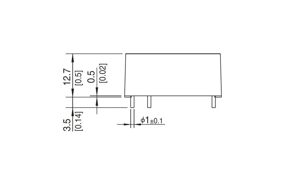
Dimensions | 28.7 x 12.7 x 17.5mm | ||||||||||||||||||||||||||||||||||||||||||||||||
Weight | 15g |
MODEL NUMBER | OUTPUT VOLTAGE | OUTPUT CURRENT | POWER |
---|---|---|---|
PBB7A-5B | 5V | 0.6A | 3W |
PBB7A-12B | 12V | 0.25A | 3W |
PBB7A-24B | 24V | 0.13A | 3W |



INPUT | |||||||||||||||||||||||||||||||||||||||||||||||||
---|---|---|---|---|---|---|---|---|---|---|---|---|---|---|---|---|---|---|---|---|---|---|---|---|---|---|---|---|---|---|---|---|---|---|---|---|---|---|---|---|---|---|---|---|---|---|---|---|---|
Input voltage | 85-264Vac | ||||||||||||||||||||||||||||||||||||||||||||||||
Input current | 200Vac 0.05A typ (lo=100%) | ||||||||||||||||||||||||||||||||||||||||||||||||
Frequency | 47-63Hz | ||||||||||||||||||||||||||||||||||||||||||||||||
Inrush current | Limited by external components | ||||||||||||||||||||||||||||||||||||||||||||||||
Leakage current | 0.40/0.75mA max. (100V/240Vac, 60Hz, lo=100%, according to IEC60950-1) |
OUTPUT | |||||||||||||||||||||||||||||||||||||||||||||||||
---|---|---|---|---|---|---|---|---|---|---|---|---|---|---|---|---|---|---|---|---|---|---|---|---|---|---|---|---|---|---|---|---|---|---|---|---|---|---|---|---|---|---|---|---|---|---|---|---|---|
Output Voltage | 5Vdc, 12Vdc, 24Vdc | ||||||||||||||||||||||||||||||||||||||||||||||||
Output Power | 3W | ||||||||||||||||||||||||||||||||||||||||||||||||
Output Current | See selection table | ||||||||||||||||||||||||||||||||||||||||||||||||
Line regulation |
5V: 20mV max 12V: 48mV max 24V: 96mV max |
||||||||||||||||||||||||||||||||||||||||||||||||
Load regulation |
5V: 40mV max 12V: 100mV max 24V: 150mV max |
||||||||||||||||||||||||||||||||||||||||||||||||
Ripple |
For 30% - 100% load 5V: 120mVp-p max 12V: 160mVp-p max 24V: 200mVp-p max |
||||||||||||||||||||||||||||||||||||||||||||||||
Temperature Regulation |
For 0 to +85°C 5V: 100mV max 12V: 180mV max 24V: 360mV max |
||||||||||||||||||||||||||||||||||||||||||||||||
Efficiency | 79% Typical |
PROTECTION | |||||||||||||||||||||||||||||||||||||||||||||||||
---|---|---|---|---|---|---|---|---|---|---|---|---|---|---|---|---|---|---|---|---|---|---|---|---|---|---|---|---|---|---|---|---|---|---|---|---|---|---|---|---|---|---|---|---|---|---|---|---|---|
Overcurrent Protection |
Works over 105% of rating Recovers automatically |
||||||||||||||||||||||||||||||||||||||||||||||||
Overvoltage Protection |
5V: 5.50 - 8.00V 12V: 13.20 - 19.20V 24V: 26.40 - 38.40V |
ENVIRONMENT | |||||||||||||||||||||||||||||||||||||||||||||||||
---|---|---|---|---|---|---|---|---|---|---|---|---|---|---|---|---|---|---|---|---|---|---|---|---|---|---|---|---|---|---|---|---|---|---|---|---|---|---|---|---|---|---|---|---|---|---|---|---|---|
Operating temperature |
-40 to +85°C Derating: contact Powerbox |
||||||||||||||||||||||||||||||||||||||||||||||||
Cooling | Convection | ||||||||||||||||||||||||||||||||||||||||||||||||
Humidity | 20%-95% RH non condensing | ||||||||||||||||||||||||||||||||||||||||||||||||
Altitude | 3,000m max |
STANDARDS AND APPROVALS | |||||||||||||||||||||||||||||||||||||||||||||||||
---|---|---|---|---|---|---|---|---|---|---|---|---|---|---|---|---|---|---|---|---|---|---|---|---|---|---|---|---|---|---|---|---|---|---|---|---|---|---|---|---|---|---|---|---|---|---|---|---|---|
General | UL60950-1, C-UL (CSA60950-1), EN60950-1 | ||||||||||||||||||||||||||||||||||||||||||||||||
Conducted Noise | FCC-B,VCCI-B,CISPR-B,EN55022-B | ||||||||||||||||||||||||||||||||||||||||||||||||
Harmonic Attenuator | IEC61000-3-2 (Class A) |
MECHANICAL | |||||||||||||||||||||||||||||||||||||||||||||||||
---|---|---|---|---|---|---|---|---|---|---|---|---|---|---|---|---|---|---|---|---|---|---|---|---|---|---|---|---|---|---|---|---|---|---|---|---|---|---|---|---|---|---|---|---|---|---|---|---|---|
Dimensions | 28.7 x 12.7 x 17.5mm | ||||||||||||||||||||||||||||||||||||||||||||||||
Weight | 15g |
MODEL NUMBER | OUTPUT VOLTAGE | OUTPUT CURRENT | POWER |
---|---|---|---|
PBB7A-5B | 5V | 0.6A | 3W |
PBB7A-12B | 12V | 0.25A | 3W |
PBB7A-24B | 24V | 0.13A | 3W |



Find the Right Model
Model Number | Input Voltage (Vac) | Output Voltage (Vdc) | Output Current (A) | ||
---|---|---|---|---|---|
![]() |
PBB7A-5B | 85...264Vac 50/60Hz | 5Vdc | 0.6A | |
![]() |
PBB7A-12B | 85...264Vac 50/60Hz | 12Vdc | 0.25A | |
![]() |
PBB7A-15B | 85...264Vac 50/60Hz | 15Vdc | 0.2A | |
![]() |
PBB7A-24B | 85...264Vac 50/60Hz | 24Vdc | 0.13A |
Need help finding the right product model?
