DC/AC Inverters
Premium ODX-4500 SERIES DC/AC Inverter
The Premium ODX-4500 Series DC/AC Inverter is a powerful and adaptable solution designed to meet the rigorous demands of industrial and railway applications. With a robust 4500VA output and advanced features, this inverter ensures reliable performance in even the harshest environments.
Read MoreFeatures
- Sine wave output voltage
- Suitable for motors control
- Selectable output frequency: 50/60Hz
- Adjustable output voltage
- High input-output isolation 3000Vrms
- Remote inhibit
Specifications
Selection Table
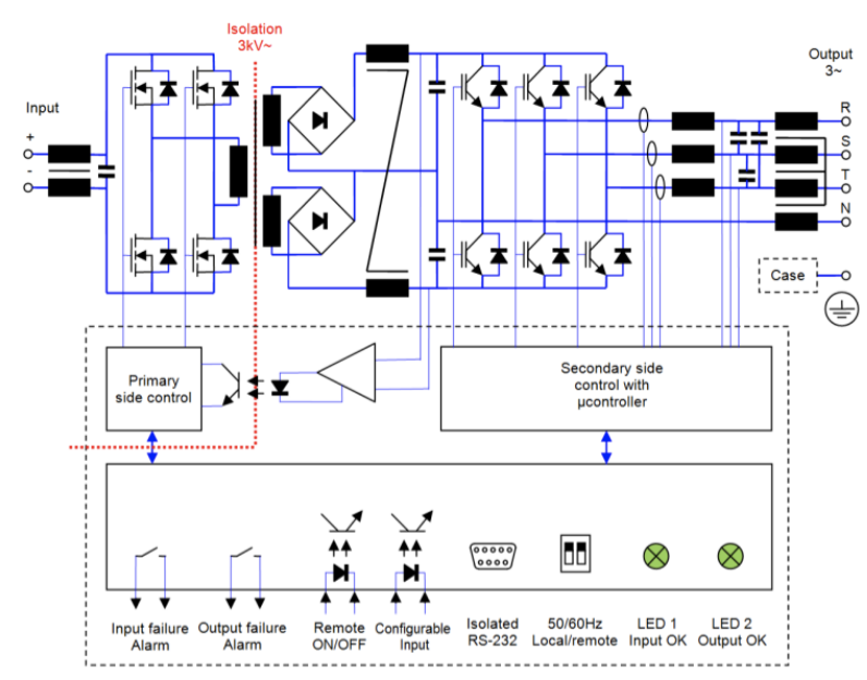
Technical Illustrations
Downloads
INPUT | |
---|---|
Input Voltage range | -30, +25% Vin nom |
Max input ripple | 5% Vin nom (Vrms, 100Hz) |
SAFETY | |
---|---|
Dielectric strength: Input /output | 3000 Vrms / 50Hz / 1min |
Dielectric strength: Output / ground | 1500 Vrms / 50Hz / 1min |
Dielectric strength: Input / ground | 500 Vrms / 50Hz / 1min |
Safety according to | EN60950-1, EN62368-1 |
Fire and smoke | EN45545-2 (only for T railway versions) |
OUTPUT | |
---|---|
Nominal Output Voltage | 400 Vac |
Output voltage range: | 50...440Vac via RS-232 |
Output frequency | 50 / 60Hz via DIP-switch, 5...75Hz via RS-232 |
Load regulation | < 4 % |
Line regulation | < 2% Vin -25% ... +25%, < 10% Vin -30% ... +30% |
Output wave distortion THD | < 2% (average of 16 samples) |
Output HF ripple | < 2.5% |
MECHANICAL | |
---|---|
Approximate weight | <7240 g |
Shock and Vibrations according to | EN61393:2011 Category 1 Class B |
ENVIRONMENTAL | |
---|---|
StorageTemperature | -25 ... 80°C |
Operating temperature at Full load | -25 ... 55°C (EN50155 OT1) |
Operating temperature at 62.5% load | -25 ... 70°C (EN50155 OT3) |
Operating temperature at 25% load | -25 ... 85°C (EN50155 OT5) |
Relative humidity | 5 ... 95% |
Cooling | Controlled internal fan |
MTBF (MIL-HDBK-217-E; Gb, 25°C) | 100.000 h |
CONTROL | |
---|---|
Output OK LED | Green |
Input OK LED | Green |
Input alarm | Open when alarm. Maximum rating: 0.16A at 160Vdc |
Output alarm | Open when alarm. Maximum rating: 0.16A at 160Vdc |
Remote OFF input | OFF: applying 15 ... 143Vdc, Impedance>35kΩ |
Configurable input (reverse or mid-power) | ON: applying 15 ... 143Vdc, Impedance>35kΩ |
EMC | |
---|---|
Emission according | EN61000-6-4, EN50121-3-2 |
Immunity according | EN61000-6-2, EN50121-3-2 |
PROTECTIONS | |
---|---|
Against overloads | Current and I²T limited (see overload protection) |
Against over temperature | Shutdown with auto-recovery |
MODEL | INPUT VOLTAGE DC (V) | INPUT VOLTAGE RANGE (V) | OUTPUT VOLTAGE AC (V) | OUTPUT CURRENT (A) | ACTIVE OUTPUT POWER (W) | APPAR. OUTPUT POWER (VA) | OUTPUT PEAK CURR. 5 S (rms) (A) | OUTPUT PEAK CURR. 10MS (Iopk) (A) | EFFICIENCY (%) | NO LOAD INPUT CURRENT (A) |
---|---|---|---|---|---|---|---|---|---|---|
ODX~4500~7425 | 72 | 50.4 - 90 | 400 | 6.50 | 4000 | 4500 | 9.5 | 15 | 92 | < 0.67 |
ODX-4500-7426 | 100 | 70 - 125 | 400 | 6.50 | 4000 | 4500 | 9.5 | 15 | 93 | < 0.49 |
ODX-4500-7427 | 110 | 77 - 138 | 400 | 6.50 | 4000 | 4500 | 9.5 | 15 | 93 | < 0.44 |




INPUT | |
---|---|
Input Voltage range | -30, +25% Vin nom |
Max input ripple | 5% Vin nom (Vrms, 100Hz) |
SAFETY | |
---|---|
Dielectric strength: Input /output | 3000 Vrms / 50Hz / 1min |
Dielectric strength: Output / ground | 1500 Vrms / 50Hz / 1min |
Dielectric strength: Input / ground | 500 Vrms / 50Hz / 1min |
Safety according to | EN60950-1, EN62368-1 |
Fire and smoke | EN45545-2 (only for T railway versions) |
OUTPUT | |
---|---|
Nominal Output Voltage | 400 Vac |
Output voltage range: | 50...440Vac via RS-232 |
Output frequency | 50 / 60Hz via DIP-switch, 5...75Hz via RS-232 |
Load regulation | < 4 % |
Line regulation | < 2% Vin -25% ... +25%, < 10% Vin -30% ... +30% |
Output wave distortion THD | < 2% (average of 16 samples) |
Output HF ripple | < 2.5% |
MECHANICAL | |
---|---|
Approximate weight | <7240 g |
Shock and Vibrations according to | EN61393:2011 Category 1 Class B |
ENVIRONMENTAL | |
---|---|
StorageTemperature | -25 ... 80°C |
Operating temperature at Full load | -25 ... 55°C (EN50155 OT1) |
Operating temperature at 62.5% load | -25 ... 70°C (EN50155 OT3) |
Operating temperature at 25% load | -25 ... 85°C (EN50155 OT5) |
Relative humidity | 5 ... 95% |
Cooling | Controlled internal fan |
MTBF (MIL-HDBK-217-E; Gb, 25°C) | 100.000 h |
CONTROL | |
---|---|
Output OK LED | Green |
Input OK LED | Green |
Input alarm | Open when alarm. Maximum rating: 0.16A at 160Vdc |
Output alarm | Open when alarm. Maximum rating: 0.16A at 160Vdc |
Remote OFF input | OFF: applying 15 ... 143Vdc, Impedance>35kΩ |
Configurable input (reverse or mid-power) | ON: applying 15 ... 143Vdc, Impedance>35kΩ |
EMC | |
---|---|
Emission according | EN61000-6-4, EN50121-3-2 |
Immunity according | EN61000-6-2, EN50121-3-2 |
PROTECTIONS | |
---|---|
Against overloads | Current and I²T limited (see overload protection) |
Against over temperature | Shutdown with auto-recovery |
MODEL | INPUT VOLTAGE DC (V) | INPUT VOLTAGE RANGE (V) | OUTPUT VOLTAGE AC (V) | OUTPUT CURRENT (A) | ACTIVE OUTPUT POWER (W) | APPAR. OUTPUT POWER (VA) | OUTPUT PEAK CURR. 5 S (rms) (A) | OUTPUT PEAK CURR. 10MS (Iopk) (A) | EFFICIENCY (%) | NO LOAD INPUT CURRENT (A) |
---|---|---|---|---|---|---|---|---|---|---|
ODX~4500~7425 | 72 | 50.4 - 90 | 400 | 6.50 | 4000 | 4500 | 9.5 | 15 | 92 | < 0.67 |
ODX-4500-7426 | 100 | 70 - 125 | 400 | 6.50 | 4000 | 4500 | 9.5 | 15 | 93 | < 0.49 |
ODX-4500-7427 | 110 | 77 - 138 | 400 | 6.50 | 4000 | 4500 | 9.5 | 15 | 93 | < 0.44 |




Find the Right Model
Model Number | Input Voltage (Vdc) | Output Voltage (Vac) | Output Power (Va / kVA) | ||
---|---|---|---|---|---|
![]() |
ODX-4500-7425 | 72Vdc: 50.4 - 90Vdc | 400Vac, 50Hz / 60Hz | 4,500 VA | |
![]() |
ODX-4500-7426 | 100Vdc: 70 - 125Vdc | 400Vac, 50Hz / 60Hz | 4,500 VA | |
![]() |
ODX-4500-7427 | 110Vdc: 77 - 138Vdc | 400Vac, 50Hz / 60Hz | 4,500 VA | |
![]() |
ODX-4500-7428 | 571Vdc: 400 - 715Vdc | 400Vac, 50Hz / 60Hz | 4,500 VA |
Need help finding the right product model?

