DC/AC Inverters
Premium OCS-260 SERIES DC/AC Inverter
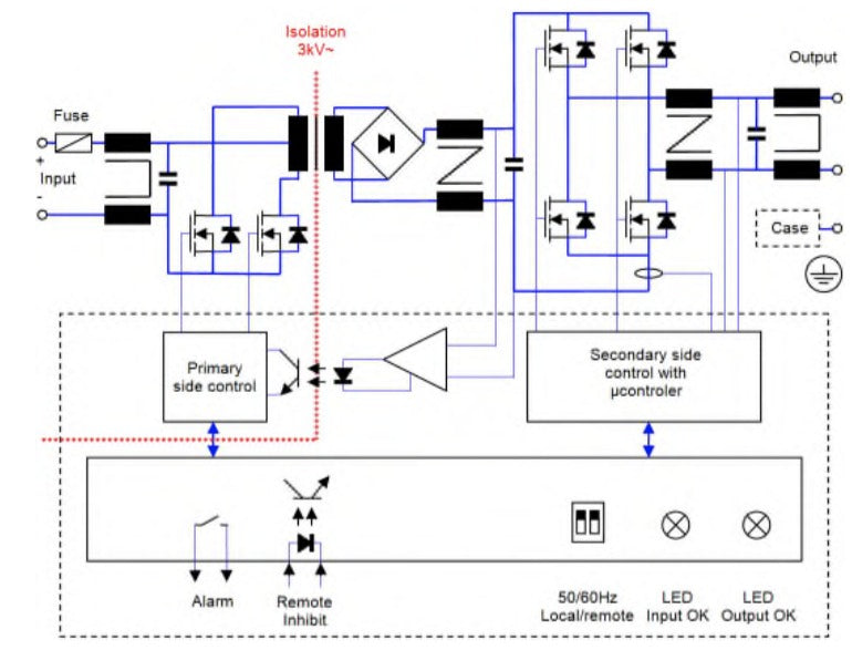
The Premium OCS-260 Series DC/AC Inverter is a compact and reliable power solution designed for industrial and railway applications. With a power output of up to 260VA, it offers efficient and safe power conversion for critical environments.
Read MoreFeatures
- Sine wave output voltage
- Selectable output frequency: 50/60Hz
- Adjustable output voltage
- Output failure alarm
- Remote inhibit
- High input-output isolation 3000Vrms
Specifications
Selection Table
Technical Illustrations
Downloads
INPUT | |
---|---|
Voltage | See selection table |
Max input ripple | 5% Vin nom (Vrms, 100Hz)Â |
SAFETY | |
---|---|
Safety according to | EN60950-1, EN62368-1 Class I OV category II, Pollution degree 2 Input / output isolation: reinforced |
Dielectric strength Input/Output | 3000 Vrms / 50Hz / 1min (routine test 2s) |
Dielectric strength Input / Ground | 1500 Vrms / 50Hz / 1min (routine test 2s) |
Dielectric strength Output / Ground | 500 Vrms / 50Hz / 1min (routine test 2s) |
Fire and smoke | EN45545-2 |
OUTPUT | |
---|---|
Output Voltage | See selection table. |
Adjust range | ± 5% of Vonom |
Load regulation | 0.04 |
Line regulation | 0.4% @ ΔVin -20…+25% 10% @ ΔVin -30…+25% 1% @ ΔVin -10…+25% for 12V input models 10% @ ΔVin -20…+25% for 12V input models |
Output frequency | 50 / 60Hz ± 0.25Hz |
Output wave distortion THD | < 2% (16 samples average) |
Output voltage HF ripple | < 20Vpp for 230Vac models < 10Vpp for 120Vac models |
MECHANICAL | |
---|---|
Approximate weight | 900g |
Dimensions | 100 x 220 x 40mm |
ENVIRONMENTAL | |
---|---|
StorageTemperature | -40°C ... 80°C |
Operating temperature at Full load | -40 ... 55°C |
Operating temperature at 62.5% load | -40 ... 70°C |
Cooling | Natural convection |
MTBF (MIL-HDBK-217-E; Gb, 25°C) | 250.000 h |
CONTROL | |
---|---|
Remote inhibit input | 4 ... 24Vdc |
Output failure alarm | Solid state relay, open when alarm. Max: 60V, 0.3A |
EMC | |
---|---|
Immunity according | EN61000-6-2 EN50121-3-2 |
Emissions according | EN61000-6-3 EN50121-3-2 |
PROTECTIONS | |
---|---|
Against Input over-currents | Internal fuse |
Against output overloads < Iompk | linear |
Against output overloads > Iompk | Triggered |
OCS-260-7031 |
---|
OCS-260-7033 |
OCS-260-7034 |
OCS-260-7035 |
OCS-260-7036 |
OCS-260-7037 |
OCS-260-7041 |
OCS-260-7043 |
OCS-260-7044 |
OCS-260-7045 |
OCS-260-7046 |
OCS-260-7047 |








INPUT | |
---|---|
Voltage | See selection table |
Max input ripple | 5% Vin nom (Vrms, 100Hz)Â |
SAFETY | |
---|---|
Safety according to | EN60950-1, EN62368-1 Class I OV category II, Pollution degree 2 Input / output isolation: reinforced |
Dielectric strength Input/Output | 3000 Vrms / 50Hz / 1min (routine test 2s) |
Dielectric strength Input / Ground | 1500 Vrms / 50Hz / 1min (routine test 2s) |
Dielectric strength Output / Ground | 500 Vrms / 50Hz / 1min (routine test 2s) |
Fire and smoke | EN45545-2 |
OUTPUT | |
---|---|
Output Voltage | See selection table. |
Adjust range | ± 5% of Vonom |
Load regulation | 0.04 |
Line regulation | 0.4% @ ΔVin -20…+25% 10% @ ΔVin -30…+25% 1% @ ΔVin -10…+25% for 12V input models 10% @ ΔVin -20…+25% for 12V input models |
Output frequency | 50 / 60Hz ± 0.25Hz |
Output wave distortion THD | < 2% (16 samples average) |
Output voltage HF ripple | < 20Vpp for 230Vac models < 10Vpp for 120Vac models |
MECHANICAL | |
---|---|
Approximate weight | 900g |
Dimensions | 100 x 220 x 40mm |
ENVIRONMENTAL | |
---|---|
StorageTemperature | -40°C ... 80°C |
Operating temperature at Full load | -40 ... 55°C |
Operating temperature at 62.5% load | -40 ... 70°C |
Cooling | Natural convection |
MTBF (MIL-HDBK-217-E; Gb, 25°C) | 250.000 h |
CONTROL | |
---|---|
Remote inhibit input | 4 ... 24Vdc |
Output failure alarm | Solid state relay, open when alarm. Max: 60V, 0.3A |
EMC | |
---|---|
Immunity according | EN61000-6-2 EN50121-3-2 |
Emissions according | EN61000-6-3 EN50121-3-2 |
PROTECTIONS | |
---|---|
Against Input over-currents | Internal fuse |
Against output overloads < Iompk | linear |
Against output overloads > Iompk | Triggered |
OCS-260-7031 |
---|
OCS-260-7033 |
OCS-260-7034 |
OCS-260-7035 |
OCS-260-7036 |
OCS-260-7037 |
OCS-260-7041 |
OCS-260-7043 |
OCS-260-7044 |
OCS-260-7045 |
OCS-260-7046 |
OCS-260-7047 |








Find the Right Model
Model Number | Input Voltage (Vdc) | Output Voltage (Vac) | Output Power (Va / kVA) | ||
---|---|---|---|---|---|
![]() |
OCS-260-7031 | 12Vdc: 9.5 - 15Vdc | 230Vac 50 / 60Hz ± 0.25Hz | 260 VA | |
![]() |
OCS-260-7033 | 24Vdc: 16.8 - 30Vdc | 230Vac 50 / 60Hz ± 0.25Hz | 260 VA | |
![]() |
OCS-260-7034 | 36Vdc: 25.2 - 45Vdc | 230Vac 50 / 60Hz ± 0.25Hz | 260 VA | |
![]() |
OCS-260-7035 | 48Vdc: 33.6 - 60Vdc | 230Vac 50 / 60Hz ± 0.25Hz | 260 VA | |
![]() |
OCS-260-7036 | 72Vdc: 50.4 - 90Vdc | 230Vac 50 / 60Hz ± 0.25Hz | 260 VA | |
![]() |
OCS-260-7037 | 110Vdc: 77 - 138Vdc | 230Vac 50 / 60Hz ± 0.25Hz | 260 VA | |
![]() |
OCS-260-7041 | 12Vdc: 9.5 - 15Vdc | 120Vac 50 / 60Hz ± 0.25Hz | 260 VA | |
![]() |
OCS-260-7043 | 24Vdc: 16.8 - 30Vdc | 120Vac 50 / 60Hz ± 0.25Hz | 260 VA | |
![]() |
OCS-260-7044 | 36Vdc: 25.2 - 45Vdc | 120Vac 50 / 60Hz ± 0.25Hz | 260 VA | |
![]() |
OCS-260-7045 | 48Vdc: 33.6 - 60Vdc | 120Vac 50 / 60Hz ± 0.25Hz | 260 VA | |
![]() |
OCS-260-7046 | 72Vdc: 50.4 - 90Vdc | 120Vac 50 / 60Hz ± 0.25Hz | 260 VA | |
![]() |
OCS-260-7047 | 110Vdc: 77 - 138Vdc | 120Vac 50 / 60Hz ± 0.25Hz | 260 VA |
Need help finding the right product model?
