DC/DC Converters
Premium CRS-1000 SERIES DC/DC Converter
The Premium CRS-1000 Series DC/DC Converter is a high-efficiency power solution engineered for industrial and railway applications. Delivering up to 1000W of continuous power, it offers superior performance and reliability for critical systems operating in demanding environments.
Read MoreFeatures
- Designed according to EN50155
- Fire and smoke: EN45545-2 approved
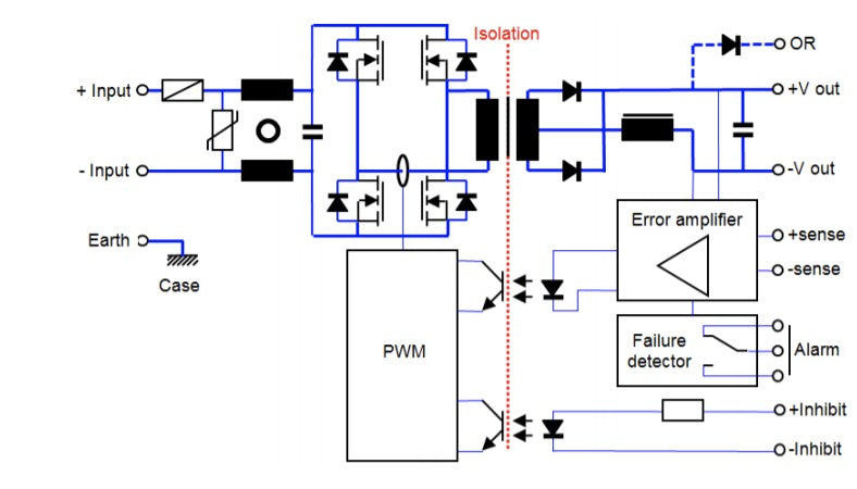
- High input-output isolation
- Adjustable output voltage
- Remote inhibit
- Remote sensing
Specifications
Selection Table
Technical Illustrations
Downloads
INPUT | |
---|---|
Voltage | See selection table |
Undervoltage shutdown | 55% to 60% Vi nom |
Max input ripple | 15% Vin nom (EN50155) |
OUTPUT | |
---|---|
Output Voltage | See selection table. |
Output voltage adjustment range: Vimin>60% Vi nomVimin>70% Vi nom | -10 % ... +0 % Vo nom-10 % ... +15 % Vo nom |
Line regulation (Io = nom) | < 0,2 % |
Load regulation (Vin = nom) | < 0,2 %, 2.5% for ORing FET option |
Ripple | < 50 mVpp |
Noise (BW = 20MHz) | < 100 mVpp |
Max. overvoltage protection | < 140% Vout nom |
Maximum remote sense | 0.3V / pole |
ENVIRONMENTAL | |
---|---|
StorageTemperature | -40oC ... 85°C |
Operating temperature at Full load | -25ºC ... 55ºC (-40°C … 55ºC, see note-1) |
Operating temperature at 75% load | -25ºC ... 70ºC (-40°C … 70ºC, see note-1) |
Cooling | Natural convection |
Maximum Relative humidity | 95% with no condensation |
Shock and vibration | EN61373 Category 1 class B body mounted |
MTBF (at 40°C and 75% load) | 350.000h acc. to IEC61709 Cooling options R, V, D 250.000h acc. to IEC61709 Cooling option C |
Service life (at 40°C and 75% load) | 20 years (Option C fan maintenance at 10 years is required) |
EMC | |
---|---|
Emission | EN61000-6-4, EN50121-3-2 |
Immunity | EN61000-6-2, EN50121-3-2 |
SAFETY | |
---|---|
Safety | EN60950, EN50155 |
Dielectric strength Input/Output | 3000Vac, 4200Vdc 1min |
Dielectric strength Input / Earth | 1500Vac, 2100Vdc 1min |
Dielectric strength Output / Earth | 1500Vac, 2100Vdc 1min |
Fire and smoke | EN45545-2:2013 +A1:2015 |
MECHANICAL | |
---|---|
Approximate weight | 2500g |
CONTROL | |
---|---|
Remote inhibit range | Logic: 1=OFF, Range: 15 … 143 Vdc, Impedance > 27kΩ |
Alarm contacts | 1A @ 24Vdc, 0.3A @ 150Vdc, 1A @ 125Vac |
Local: Input OK, Output OK | Green LEDs |
PROTECTIONS | |
---|---|
Against overloads and short-circuits | Current limiting |
Against output over-voltages | Shutdown (reset by input switch off) |
Against over-temperature | Shutdown with self-recovery |
Against reverse input voltage. | Input fuse (Active protection with option H) |
Against input under-voltage | Under-voltage lock-out |
Against Input over-currents | Input fuse |
Note-1: The unit can start up and work at an ambient temperature of -40°C with the following restrictions:
1) Do not handle the connection terminals below -25°C.
2) The output ripple can rise up to 150mVpp at -40°C
PART NUMBER | POWER (W) | INPUT (V) | INPUT RANGE (V) | MAX INPUT CURRENT (A) | OUTPUT VOLTAGE (V) | OUTPUT CURRENT (A) | EFFICIENCY (%) |
---|---|---|---|---|---|---|---|
CRS-1000-6475 | 1000 | 24 | 14,4 - 30 | 78,9 | 24 | 41,6 | 88 |
CRS-1000-6476 | 1000 | 24 | 14,4 - 30 | 78,0 | 48 | 20,8 | 89 |
CRS-1000-6490 | 1000 | 24 | 14,4 - 30 | 77,2 | 72 | 13,9 | 90 |
CRS-1000-6492 | 1000 | 24 | 14,4 - 30 | 77,2 | 110 | 9,8 | 90 |
CRS-1000-6487 | 1000 | 36 | 21,6 - 47 | 51,4 | 24 | 41,6 | 90 |
CRS-1000-6488 | 1000 | 36 | 21,6 - 47 | 51,4 | 48 | 20,8 | 90 |
CRS-1000-6491 | 1000 | 36 | 21,6 - 47 | 50,9 | 72 | 13,9 | 91 |
CRS-1000-6478 | 1000 | 48 | 28,8 - 60 | 38,2 | 24 | 41,6 | 91 |
CRS-1000-6479 | 1000 | 48 | 28,8 - 60 | 37,7 | 48 | 20,8 | 92 |
CRS-1000-6481 | 1000 | 72 | 43,2 - 90 | 25,4 | 24 | 41,6 | 91 |
CRS-1000-6482 | 1000 | 72 | 43,2 - 90 | 25,2 | 48 | 20,8 | 92 |
CRS-1000-6484 | 1000 | 110 | 66 - 144 | 16,5 | 24 | 41,6 | 92 |
CRS-1000-6485 | 1000 | 110 | 66 - 144 | 16,3 | 48 | 20,8 | 93 |
CRS-1000-6493 | 1000 | 110 | 66 - 144 | 16,1 | 110 | 9,8 | 94 |








INPUT | |
---|---|
Voltage | See selection table |
Undervoltage shutdown | 55% to 60% Vi nom |
Max input ripple | 15% Vin nom (EN50155) |
OUTPUT | |
---|---|
Output Voltage | See selection table. |
Output voltage adjustment range: Vimin>60% Vi nomVimin>70% Vi nom | -10 % ... +0 % Vo nom-10 % ... +15 % Vo nom |
Line regulation (Io = nom) | < 0,2 % |
Load regulation (Vin = nom) | < 0,2 %, 2.5% for ORing FET option |
Ripple | < 50 mVpp |
Noise (BW = 20MHz) | < 100 mVpp |
Max. overvoltage protection | < 140% Vout nom |
Maximum remote sense | 0.3V / pole |
ENVIRONMENTAL | |
---|---|
StorageTemperature | -40oC ... 85°C |
Operating temperature at Full load | -25ºC ... 55ºC (-40°C … 55ºC, see note-1) |
Operating temperature at 75% load | -25ºC ... 70ºC (-40°C … 70ºC, see note-1) |
Cooling | Natural convection |
Maximum Relative humidity | 95% with no condensation |
Shock and vibration | EN61373 Category 1 class B body mounted |
MTBF (at 40°C and 75% load) | 350.000h acc. to IEC61709 Cooling options R, V, D 250.000h acc. to IEC61709 Cooling option C |
Service life (at 40°C and 75% load) | 20 years (Option C fan maintenance at 10 years is required) |
EMC | |
---|---|
Emission | EN61000-6-4, EN50121-3-2 |
Immunity | EN61000-6-2, EN50121-3-2 |
SAFETY | |
---|---|
Safety | EN60950, EN50155 |
Dielectric strength Input/Output | 3000Vac, 4200Vdc 1min |
Dielectric strength Input / Earth | 1500Vac, 2100Vdc 1min |
Dielectric strength Output / Earth | 1500Vac, 2100Vdc 1min |
Fire and smoke | EN45545-2:2013 +A1:2015 |
MECHANICAL | |
---|---|
Approximate weight | 2500g |
CONTROL | |
---|---|
Remote inhibit range | Logic: 1=OFF, Range: 15 … 143 Vdc, Impedance > 27kΩ |
Alarm contacts | 1A @ 24Vdc, 0.3A @ 150Vdc, 1A @ 125Vac |
Local: Input OK, Output OK | Green LEDs |
PROTECTIONS | |
---|---|
Against overloads and short-circuits | Current limiting |
Against output over-voltages | Shutdown (reset by input switch off) |
Against over-temperature | Shutdown with self-recovery |
Against reverse input voltage. | Input fuse (Active protection with option H) |
Against input under-voltage | Under-voltage lock-out |
Against Input over-currents | Input fuse |
Note-1: The unit can start up and work at an ambient temperature of -40°C with the following restrictions:
1) Do not handle the connection terminals below -25°C.
2) The output ripple can rise up to 150mVpp at -40°C
PART NUMBER | POWER (W) | INPUT (V) | INPUT RANGE (V) | MAX INPUT CURRENT (A) | OUTPUT VOLTAGE (V) | OUTPUT CURRENT (A) | EFFICIENCY (%) |
---|---|---|---|---|---|---|---|
CRS-1000-6475 | 1000 | 24 | 14,4 - 30 | 78,9 | 24 | 41,6 | 88 |
CRS-1000-6476 | 1000 | 24 | 14,4 - 30 | 78,0 | 48 | 20,8 | 89 |
CRS-1000-6490 | 1000 | 24 | 14,4 - 30 | 77,2 | 72 | 13,9 | 90 |
CRS-1000-6492 | 1000 | 24 | 14,4 - 30 | 77,2 | 110 | 9,8 | 90 |
CRS-1000-6487 | 1000 | 36 | 21,6 - 47 | 51,4 | 24 | 41,6 | 90 |
CRS-1000-6488 | 1000 | 36 | 21,6 - 47 | 51,4 | 48 | 20,8 | 90 |
CRS-1000-6491 | 1000 | 36 | 21,6 - 47 | 50,9 | 72 | 13,9 | 91 |
CRS-1000-6478 | 1000 | 48 | 28,8 - 60 | 38,2 | 24 | 41,6 | 91 |
CRS-1000-6479 | 1000 | 48 | 28,8 - 60 | 37,7 | 48 | 20,8 | 92 |
CRS-1000-6481 | 1000 | 72 | 43,2 - 90 | 25,4 | 24 | 41,6 | 91 |
CRS-1000-6482 | 1000 | 72 | 43,2 - 90 | 25,2 | 48 | 20,8 | 92 |
CRS-1000-6484 | 1000 | 110 | 66 - 144 | 16,5 | 24 | 41,6 | 92 |
CRS-1000-6485 | 1000 | 110 | 66 - 144 | 16,3 | 48 | 20,8 | 93 |
CRS-1000-6493 | 1000 | 110 | 66 - 144 | 16,1 | 110 | 9,8 | 94 |








Find the Right Model
*References subject to special MOQs and lead timesModel Number | Input Voltage (Vdc) | Output Voltage (Vdc) | Output Current (A) | ||
---|---|---|---|---|---|
![]() |
CRS-1000-6475 | 24Vdc: 14.4...30Vdc | 24Vdc | 41.6A | |
![]() |
CRS-1000-6476* | 24Vdc: 14.4...30Vdc | 48Vdc | 20.8A | |
![]() |
CRS-1000-6490 | 24Vdc: 14.4...30Vdc | 72Vdc | 13.9A | |
![]() |
CRS-1000-6492 | 24Vdc: 14.4...30Vdc | 110Vdc | 9.8A | |
![]() |
CRS-1000-6487 | 36Vdc: 21.6...47Vdc | 24Vdc | 41.6A | |
![]() |
CRS-1000-6488* | 36Vdc: 21.6...47Vdc | 48Vdc | 20.8A | |
![]() |
CRS-1000-6491 | 36Vdc: 21.6...47Vdc | 72Vdc | 13.9A | |
![]() |
CRS-1000-6478 | 48Vdc: 28.8...60Vdc | 24Vdc | 41.6A | |
![]() |
CRS-1000-6479* | 48Vdc: 28.8...60Vdc | 48Vdc | 20.8A | |
![]() |
CRS-1000-6481 | 72Vdc: 43.2...90Vdc | 24Vdc | 41.6A | |
![]() |
CRS-1000-6482 | 72Vdc: 43.2...90Vdc | 48Vdc | 20.8A | |
![]() |
CRS-1000-6484 | 110Vdc: 66...144Vdc | 24Vdc | 41.6A | |
![]() |
CRS-1000-6485 | 110Vdc: 66...144Vdc | 48Vdc | 20.8A | |
![]() |
CRS-1000-6494 | 110Vdc: 66...144Vdc | 72Vdc | 13.9A | |
![]() |
CRS-1000-6493 | 110Vdc: 66...144Vdc | 110Vdc | 9.8A |
Need help finding the right product model?
