PREMIUM ECS-200 SERIES Battery Charger / DC UPS
The Premium ECS-200 Series is a high-performance DC Uninterruptible Power Supply (DC UPS) and battery charger, engineered to deliver continuous and reliable 12V, 24V, or 48V DC power. Designed for critical backup applications, it ensures uninterrupted operation by instantly switching from mains supply to battery without voltage dips - protecting your equipment during power outages.
Read MoreFeatures
- Continuous Power Assurance: Step mains-to-battery transition without output voltage drops, safeguarding sensitive equipment.
- Smart Battery Management: Constant current charging with four selectable current levels to optimise battery health and lifespan.
- Advanced Protection Systems: Integrated protections against overloads, short circuits, and deep battery discharge, with automatic battery cut-off.
- Comprehensive Alarm Outputs: Relay-based alarms for supply failure and low battery status for proactive monitoring.
- Flexible Installation: Parallel connection supported (24V and 48V models) with optional accessories for DIN rail or rack mounting.
INPUT | |||||||||||||||||||||||||||||||||||||||||||||||||
---|---|---|---|---|---|---|---|---|---|---|---|---|---|---|---|---|---|---|---|---|---|---|---|---|---|---|---|---|---|---|---|---|---|---|---|---|---|---|---|---|---|---|---|---|---|---|---|---|---|
Input Voltage | 100 /220 Vac ± 20% | ||||||||||||||||||||||||||||||||||||||||||||||||
Mains frequency range | 47 … 63Hz | ||||||||||||||||||||||||||||||||||||||||||||||||
Inrush current | <32A |
OUTPUT | |||||||||||||||||||||||||||||||||||||||||||||||||
---|---|---|---|---|---|---|---|---|---|---|---|---|---|---|---|---|---|---|---|---|---|---|---|---|---|---|---|---|---|---|---|---|---|---|---|---|---|---|---|---|---|---|---|---|---|---|---|---|---|
Output Voltage range | -0, +20%Von | ||||||||||||||||||||||||||||||||||||||||||||||||
Line regulation |
< 0,2% |
||||||||||||||||||||||||||||||||||||||||||||||||
Ripple |
< 50 mVpp |
||||||||||||||||||||||||||||||||||||||||||||||||
Charging current tolerance |
< 10% |
ENVIRONMENTAL | |||||||||||||||||||||||||||||||||||||||||||||||||
---|---|---|---|---|---|---|---|---|---|---|---|---|---|---|---|---|---|---|---|---|---|---|---|---|---|---|---|---|---|---|---|---|---|---|---|---|---|---|---|---|---|---|---|---|---|---|---|---|---|
StorageTemperature |
-25ºC … 80ºC |
||||||||||||||||||||||||||||||||||||||||||||||||
Operating temperature | -25 … 50ºC (Po=nom) | ||||||||||||||||||||||||||||||||||||||||||||||||
-25 … 70ºC (Po=nom/2) | |||||||||||||||||||||||||||||||||||||||||||||||||
Maximum Relative humidity | 95% with no condensation | ||||||||||||||||||||||||||||||||||||||||||||||||
MTBF | 350.000h @ 40°C according to IEC61709 |
EMC | |||||||||||||||||||||||||||||||||||||||||||||||||
---|---|---|---|---|---|---|---|---|---|---|---|---|---|---|---|---|---|---|---|---|---|---|---|---|---|---|---|---|---|---|---|---|---|---|---|---|---|---|---|---|---|---|---|---|---|---|---|---|---|
Emission |
EN61000-6-3, EN 50212-4 |
||||||||||||||||||||||||||||||||||||||||||||||||
Immunity |
EN61000-2-2, EN 50212-4 |
SAFETY | |||||||||||||||||||||||||||||||||||||||||||||||||
---|---|---|---|---|---|---|---|---|---|---|---|---|---|---|---|---|---|---|---|---|---|---|---|---|---|---|---|---|---|---|---|---|---|---|---|---|---|---|---|---|---|---|---|---|---|---|---|---|---|
Safety |
EN-60950-1, EN68368-1 |
||||||||||||||||||||||||||||||||||||||||||||||||
Input/Output |
3000Vac, 50Hz 1 min |
||||||||||||||||||||||||||||||||||||||||||||||||
Input / Earth |
2000Vac (1500Vac for model 5183) 50Hz 1 min |
||||||||||||||||||||||||||||||||||||||||||||||||
Output / Earth |
2000Vac (1500Vac for model 5183) 50Hz 1 min |
MECHANICAL | |||||||||||||||||||||||||||||||||||||||||||||||||
---|---|---|---|---|---|---|---|---|---|---|---|---|---|---|---|---|---|---|---|---|---|---|---|---|---|---|---|---|---|---|---|---|---|---|---|---|---|---|---|---|---|---|---|---|---|---|---|---|---|
Weight |
780g |
||||||||||||||||||||||||||||||||||||||||||||||||
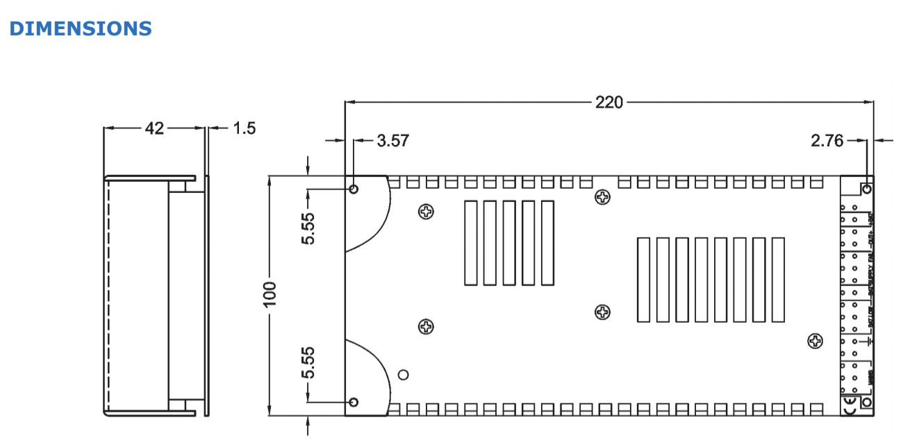
Size |
100 x 220 x 45 mm |
CONTROL | |||||||||||||||||||||||||||||||||||||||||||||||||
---|---|---|---|---|---|---|---|---|---|---|---|---|---|---|---|---|---|---|---|---|---|---|---|---|---|---|---|---|---|---|---|---|---|---|---|---|---|---|---|---|---|---|---|---|---|---|---|---|---|
Supply fail alarm |
Mains failure, overload or power supply fault |
||||||||||||||||||||||||||||||||||||||||||||||||
Battery low alarm |
Discharge, ageing or short-circuit |
||||||||||||||||||||||||||||||||||||||||||||||||
Alarms |
Relay contacts |
||||||||||||||||||||||||||||||||||||||||||||||||
Maximum switching voltage: |
120Vac / 24Vdc |
||||||||||||||||||||||||||||||||||||||||||||||||
Maximum switching power: | 100VA / 24W | ||||||||||||||||||||||||||||||||||||||||||||||||
Maximum switching current: | 1A | ||||||||||||||||||||||||||||||||||||||||||||||||
Minimum switching value: | 1mA @ 1V |
PROTECTIONS | |||||||||||||||||||||||||||||||||||||||||||||||||
---|---|---|---|---|---|---|---|---|---|---|---|---|---|---|---|---|---|---|---|---|---|---|---|---|---|---|---|---|---|---|---|---|---|---|---|---|---|---|---|---|---|---|---|---|---|---|---|---|---|
Against overloads and short-circuits |
Current limiting |
||||||||||||||||||||||||||||||||||||||||||||||||
Battery protection against deep discharges |
Battery cut off |
||||||||||||||||||||||||||||||||||||||||||||||||
Battery protection against overloads |
By fuse |
||||||||||||||||||||||||||||||||||||||||||||||||
Against Input over-currents |
Input fuse |
OUTPUT | BATTERY | CHARGING CURRENT SELECTION | |||||||
---|---|---|---|---|---|---|---|---|---|
MODEL |
NOMINAL VOLTAGE (V) |
MAX CURRENT (A) |
MAX POWER (W) |
FLOATING VOLTAGE (V) |
CUT OFF VOLTAGE (V) |
I1(A) | I2(A) | I3(A) | I4(A) |
ECS-200-5183 |
12 | 14.7 | 200 | 13.6 | 10 | 2.00 |
2.4 |
4.8 |
9.6 |
ECS-200-5187 |
24 | 8.30 | 225 | 27.2 | 20 | 1.00 |
1.2 |
2.4 |
4.8 |
ECS-200-5189 |
48 | 4.20 | 230 | 54.4 | 40 | 0.44 |
0.6 |
1.2 |
2.4 |







INPUT | |||||||||||||||||||||||||||||||||||||||||||||||||
---|---|---|---|---|---|---|---|---|---|---|---|---|---|---|---|---|---|---|---|---|---|---|---|---|---|---|---|---|---|---|---|---|---|---|---|---|---|---|---|---|---|---|---|---|---|---|---|---|---|
Input Voltage | 100 /220 Vac ± 20% | ||||||||||||||||||||||||||||||||||||||||||||||||
Mains frequency range | 47 … 63Hz | ||||||||||||||||||||||||||||||||||||||||||||||||
Inrush current | <32A |
OUTPUT | |||||||||||||||||||||||||||||||||||||||||||||||||
---|---|---|---|---|---|---|---|---|---|---|---|---|---|---|---|---|---|---|---|---|---|---|---|---|---|---|---|---|---|---|---|---|---|---|---|---|---|---|---|---|---|---|---|---|---|---|---|---|---|
Output Voltage range | -0, +20%Von | ||||||||||||||||||||||||||||||||||||||||||||||||
Line regulation |
< 0,2% |
||||||||||||||||||||||||||||||||||||||||||||||||
Ripple |
< 50 mVpp |
||||||||||||||||||||||||||||||||||||||||||||||||
Charging current tolerance |
< 10% |
ENVIRONMENTAL | |||||||||||||||||||||||||||||||||||||||||||||||||
---|---|---|---|---|---|---|---|---|---|---|---|---|---|---|---|---|---|---|---|---|---|---|---|---|---|---|---|---|---|---|---|---|---|---|---|---|---|---|---|---|---|---|---|---|---|---|---|---|---|
StorageTemperature |
-25ºC … 80ºC |
||||||||||||||||||||||||||||||||||||||||||||||||
Operating temperature | -25 … 50ºC (Po=nom) | ||||||||||||||||||||||||||||||||||||||||||||||||
-25 … 70ºC (Po=nom/2) | |||||||||||||||||||||||||||||||||||||||||||||||||
Maximum Relative humidity | 95% with no condensation | ||||||||||||||||||||||||||||||||||||||||||||||||
MTBF | 350.000h @ 40°C according to IEC61709 |
EMC | |||||||||||||||||||||||||||||||||||||||||||||||||
---|---|---|---|---|---|---|---|---|---|---|---|---|---|---|---|---|---|---|---|---|---|---|---|---|---|---|---|---|---|---|---|---|---|---|---|---|---|---|---|---|---|---|---|---|---|---|---|---|---|
Emission |
EN61000-6-3, EN 50212-4 |
||||||||||||||||||||||||||||||||||||||||||||||||
Immunity |
EN61000-2-2, EN 50212-4 |
SAFETY | |||||||||||||||||||||||||||||||||||||||||||||||||
---|---|---|---|---|---|---|---|---|---|---|---|---|---|---|---|---|---|---|---|---|---|---|---|---|---|---|---|---|---|---|---|---|---|---|---|---|---|---|---|---|---|---|---|---|---|---|---|---|---|
Safety |
EN-60950-1, EN68368-1 |
||||||||||||||||||||||||||||||||||||||||||||||||
Input/Output |
3000Vac, 50Hz 1 min |
||||||||||||||||||||||||||||||||||||||||||||||||
Input / Earth |
2000Vac (1500Vac for model 5183) 50Hz 1 min |
||||||||||||||||||||||||||||||||||||||||||||||||
Output / Earth |
2000Vac (1500Vac for model 5183) 50Hz 1 min |
MECHANICAL | |||||||||||||||||||||||||||||||||||||||||||||||||
---|---|---|---|---|---|---|---|---|---|---|---|---|---|---|---|---|---|---|---|---|---|---|---|---|---|---|---|---|---|---|---|---|---|---|---|---|---|---|---|---|---|---|---|---|---|---|---|---|---|
Weight |
780g |
||||||||||||||||||||||||||||||||||||||||||||||||
Size |
100 x 220 x 45 mm |
CONTROL | |||||||||||||||||||||||||||||||||||||||||||||||||
---|---|---|---|---|---|---|---|---|---|---|---|---|---|---|---|---|---|---|---|---|---|---|---|---|---|---|---|---|---|---|---|---|---|---|---|---|---|---|---|---|---|---|---|---|---|---|---|---|---|
Supply fail alarm |
Mains failure, overload or power supply fault |
||||||||||||||||||||||||||||||||||||||||||||||||
Battery low alarm |
Discharge, ageing or short-circuit |
||||||||||||||||||||||||||||||||||||||||||||||||
Alarms |
Relay contacts |
||||||||||||||||||||||||||||||||||||||||||||||||
Maximum switching voltage: |
120Vac / 24Vdc |
||||||||||||||||||||||||||||||||||||||||||||||||
Maximum switching power: | 100VA / 24W | ||||||||||||||||||||||||||||||||||||||||||||||||
Maximum switching current: | 1A | ||||||||||||||||||||||||||||||||||||||||||||||||
Minimum switching value: | 1mA @ 1V |
PROTECTIONS | |||||||||||||||||||||||||||||||||||||||||||||||||
---|---|---|---|---|---|---|---|---|---|---|---|---|---|---|---|---|---|---|---|---|---|---|---|---|---|---|---|---|---|---|---|---|---|---|---|---|---|---|---|---|---|---|---|---|---|---|---|---|---|
Against overloads and short-circuits |
Current limiting |
||||||||||||||||||||||||||||||||||||||||||||||||
Battery protection against deep discharges |
Battery cut off |
||||||||||||||||||||||||||||||||||||||||||||||||
Battery protection against overloads |
By fuse |
||||||||||||||||||||||||||||||||||||||||||||||||
Against Input over-currents |
Input fuse |
OUTPUT | BATTERY | CHARGING CURRENT SELECTION | |||||||
---|---|---|---|---|---|---|---|---|---|
MODEL |
NOMINAL VOLTAGE (V) |
MAX CURRENT (A) |
MAX POWER (W) |
FLOATING VOLTAGE (V) |
CUT OFF VOLTAGE (V) |
I1(A) | I2(A) | I3(A) | I4(A) |
ECS-200-5183 |
12 | 14.7 | 200 | 13.6 | 10 | 2.00 |
2.4 |
4.8 |
9.6 |
ECS-200-5187 |
24 | 8.30 | 225 | 27.2 | 20 | 1.00 |
1.2 |
2.4 |
4.8 |
ECS-200-5189 |
48 | 4.20 | 230 | 54.4 | 40 | 0.44 |
0.6 |
1.2 |
2.4 |







Find the Right Model
Model Number | ||
---|---|---|
![]() |
ECS-200-5183 | |
![]() |
ECS-200-5187 | |
![]() |
ECS-200-5189 |
Need help finding the right product model?
